mm440变频器接线图

西门子mm440变频器控制电路共有多少个端子
图片尺寸805x1157
mm440变频器四段固定频率控制操作内容,要求,操作题及解析
图片尺寸893x559![[求助-西门子传动技术]mm440变频器外接设置](https://i.ecywang.com/upload/1/img2.baidu.com/it/u=3756327372,3439446972&fm=253&fmt=auto&app=138&f=JPEG?w=500&h=609)
[求助-西门子传动技术]mm440变频器外接设置
图片尺寸603x734![[求助-西门子传动技术]mm440变频器外接设置](https://i.ecywang.com/upload/1/img1.baidu.com/it/u=1683678210,1961048567&fm=253&fmt=auto&app=138&f=JPEG?w=761&h=500)
[求助-西门子传动技术]mm440变频器外接设置
图片尺寸982x645
mm440变频器接线
图片尺寸573x577
回复:mm440制动电阻的问题
图片尺寸962x1135
求西门子mm440变频器原理图,是原理图哦亲
图片尺寸289x409
西门子mm440变频器profibus控制方式
图片尺寸800x476
实训指导书(西门子mm440变频器)
图片尺寸449x304
mm440变频器安装调试
图片尺寸800x1132
西门子440变频器端子接线图西门子s120变频器端子接线图
图片尺寸465x641
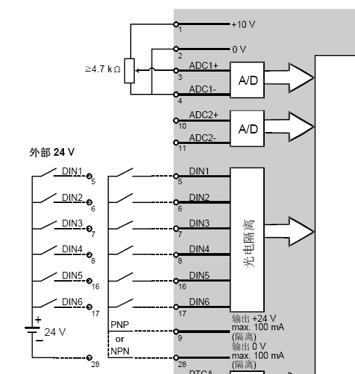
西门子mm440变频器接线图
图片尺寸530x465
变频器原理及应用技术项目5任务一:mm440变频器的外部端子ppt
图片尺寸1080x810
变频器mm440应该怎样接线
图片尺寸511x538
授权代理 西门子mm440 2.2kw变频器
图片尺寸626x437
变频器的工程应用实例ppt
图片尺寸1080x810
西门子变频器 西门子mm440通用型变频器
图片尺寸200x287
mm440变频器安装调试
图片尺寸828x490
利用sm332控制mm440变频器怎么接线
图片尺寸632x550
mm440变频器安装调试
图片尺寸597x477