multisim电阻

multisim怎么找到方形电阻
图片尺寸1080x810
multisim电阻元件在哪
图片尺寸640x341
multisim14.0电阻怎么选-multisim14.0电阻的选择方法
图片尺寸600x400
《晶体管共射极单管放大电路》的实验报告
图片尺寸500x379
multisim验证电阻混联
图片尺寸1728x1080
用multisim设计一个放大电路,要求放大倍数800以上,输入电阻尽可能大
图片尺寸1559x754
multisim设计及应用之1-欧姆定律的验证设计
图片尺寸640x400
multisim基本电路仿真
图片尺寸1329x753
multisim电阻元件在哪
图片尺寸750x400
multisim高人,救救!这么简单都
图片尺寸765x482
multisim仿真中没有热敏电阻
图片尺寸438x384
用multisim仿真二极管纯电阻整流,波形不连续为什么呢?
图片尺寸654x323
multisim使用74ls148芯片实现病房优先级案例
图片尺寸714x445
请问各位高手 我用74ls248驱动共阴数码管 在multisim 软件上仿真怎么
图片尺寸600x474
multisim电阻元件在哪
图片尺寸750x400
multisim电阻元件在哪
图片尺寸750x400
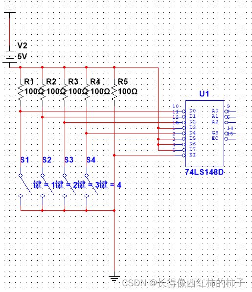
multisim使用74ls148芯片实现病房优先级案例
图片尺寸515x597
multisim电阻元件在哪
图片尺寸596x304
我们先从电阻热噪声说起,图1-1 是使用multisim做的理想电阻仿真结果
图片尺寸660x343
multisim怎么找到方形电阻
图片尺寸600x400