mx1919驱动芯片针脚图

5a双路电机驱动模块:mx1919
图片尺寸1150x557
mx1919l双路有刷直流马达驱动电路的中文数据手册免费下载
图片尺寸465x286
mx-1919 ee 19 5 5
图片尺寸2187x3183
构建基于mx1919的超声波阵列驱动板
图片尺寸1137x691
5a双路电机驱动模块:mx1919
图片尺寸954x473
驱动器和通信电路引脚及主要特性ds1692/3692三态差动线驱动器
图片尺寸1423x1919
mx612有刷直流马达驱动电路
图片尺寸467x315
电机驱动电路设计
图片尺寸640x542
stm32cubemx之硬件spi驱动w25q64
图片尺寸825x299
stm32cubemx ll库驱动hc-sr04超声波测距
图片尺寸1169x551
0-7.0v 2.2a双通道h桥马达驱动 兼容mx1919l
图片尺寸952x1232
汽车led照明驱动解决方案
图片尺寸1919x2208
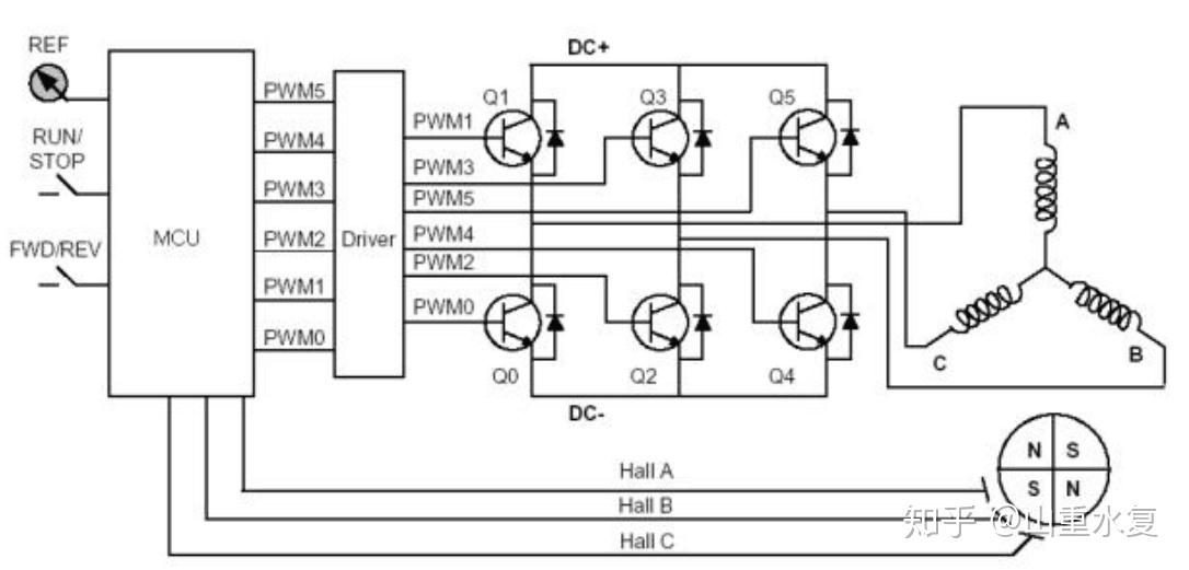
【电机控制】六步法驱动bldc电机,使用硬件com事件,stm32 cubemx(hal
图片尺寸1086x521
1.1 mx1919电机驱动模块
图片尺寸780x348
若干纽扣电池座2纽扣电池2电池导电片29v电池1n20电机2(或者mx1616
图片尺寸1677x1122
构建基于mx1919的超声波阵列驱动板
图片尺寸1319x862
附上安森美同系列栅极驱动芯片选型型号参数参考:fan7382mx fan
图片尺寸750x670
mx_电路
图片尺寸587x342
中科芯亿达 mx1616h 双路有刷直流马达驱动芯片 电机驱动ic
图片尺寸360x360
tmi8118-tmi8118s单通道直流马达驱动芯片7v可替代tc118s_mx612
图片尺寸1012x524