ncp1207a电源电路图

海信电视电路图(海信led液晶电视电源电路分析与维修)
图片尺寸637x410
电脑电源的原理图谁有啊~想研究开关电源
图片尺寸1392x850
好奇怪,rcc开关电源,g极驱动电压怎么都上不来
图片尺寸952x519
海信电视电路图(海信led液晶电视电源电路分析与维修)
图片尺寸961x421
rcc开关电源电路图
图片尺寸700x392
aoccm313型彩色显示器的电源电路图
图片尺寸2466x1405
电源电路
图片尺寸2293x1093
开关电源电路图讲解!济南磐龙维修
图片尺寸937x611
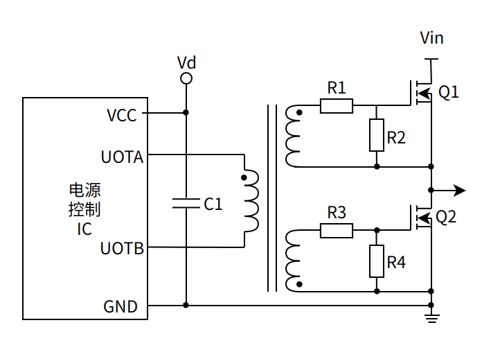
电源设计必学电路之驱动篇
图片尺寸722x508
联想l197型液晶彩显电源电路分析
图片尺寸1194x2507
atx电源电路
图片尺寸1392x850
ctx-c2 型双频高分辨率彩色显示器电源电路
图片尺寸1712x973
推荐一款24v5a电源芯片的acdc电源方案
图片尺寸736x476
该机主电源块为f9222l,副电源块为ncp1014,pfc块为5500a,相关电路如图
图片尺寸2515x1776
开关电源电路原理(附原理图)
图片尺寸1280x781
ncp1207aqr反激15v2a带2a的时候电压就掉到134v了
图片尺寸1274x600
电源设计必学电路之驱动篇
图片尺寸848x602
同创atx200se3型开关电源ka7500b电路
图片尺寸2479x1509
求助dell戴尔hpp2507fwp电脑主机电源线路图
图片尺寸1905x1269
文档下载 所有分类 工程科技 电子/电路 > 金河田atx电源k7-335原理图
图片尺寸1694x1248