ncp1252a开关电源维修

【开关电源维修】开关电源维修方法介绍
图片尺寸466x333
拆解安鸿12v125a开关电源
图片尺寸1380x1035
电源适配器拆解报告联想笔记本原装100w氮化镓电源适配器
图片尺寸1080x720
求各位大哥救救我这个12v5a的开关电源
图片尺寸1380x1035
电源适配器拆解报告联想笔记本原装100w氮化镓电源适配器
图片尺寸1080x720
创联a200af5开关电源拆机
图片尺寸1280x1402
通过图2a的x射线能谱(eds)结果,确认了cob/ncps中c,n,b和co的分布,并
图片尺寸660x397
电源适配器拆解报告联想笔记本原装100w氮化镓电源适配器
图片尺寸1080x720
电源适配器拆解报告联想笔记本原装100w氮化镓电源适配器
图片尺寸1080x720
全新原装进口 ncp1252adr2g ncp1252a 1252a sop8 开关电源芯片
图片尺寸800x800
电源适配器拆解报告联想笔记本原装100w氮化镓电源适配器
图片尺寸1080x720
ncp1252adr2g开关控制器芯片中文资料pdf数据手册引脚图产品手册产品
图片尺寸718x710
ncp1252adr2g开关控制器芯片中文资料pdf数据手册引脚图产品手册产品
图片尺寸285x508
电源适配器拆解报告联想笔记本原装100w氮化镓电源适配器
图片尺寸1080x720
电源适配器拆解报告联想笔记本原装100w氮化镓电源适配器
图片尺寸1080x720
tea2017aat是一款数字化可配置llc和pfc组合控制器,用于高效谐振电源
图片尺寸960x640
高压启动,支持多种工作模式之间自动切换,以平衡开关损耗和导通损耗
图片尺寸700x467
一文解析65w多口usb-c快充内置的初级主控芯片
图片尺寸700x467
发现65w功率段多口快充均采用反激式控制器组成开关电源,以权衡成本
图片尺寸640x427
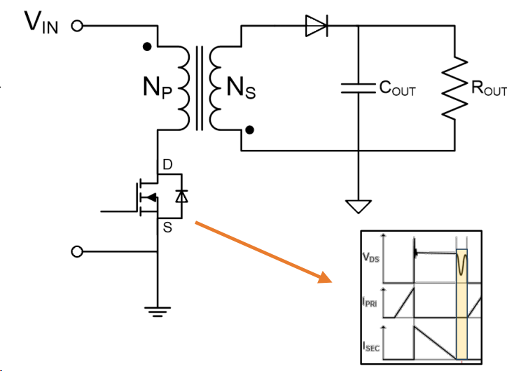
图文详解离线开关电源smps方案一看就懂
图片尺寸724x530