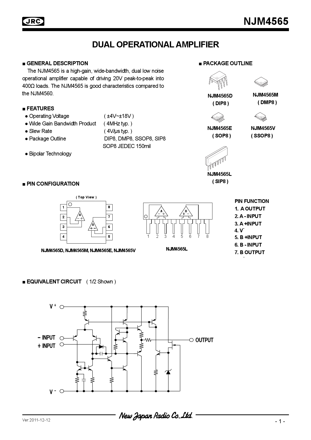
njm4565

njm4565m jrc 双路运算放大器
图片尺寸900x745
njm4565m
图片尺寸1240x1754
njm4565m『ic opamp gp 2 circuit 8dmp』 现货
图片尺寸640x640
canadagooes加拿大鹅羽绒服4565mpb
图片尺寸1080x1404
ngc 4565.也称为针状星系或考德威尔38,是一个边缘螺 - 抖音
图片尺寸1600x1200
来看看这款 温柔小衫 吧~93.我的新宠就是这款ss4565 - 抖音
图片尺寸956x1275
canadagoose远征限量版4565m
图片尺寸1080x1005
new balance ml565wn d navy blue white mens run
图片尺寸500x500
njm4565m pdf下载_njm4565m供应商_pdf文件在线浏览页面【1/5】-天天
图片尺寸1015x1456
京东触屏版
图片尺寸800x800
耐克nikeairjordan5lowaj5黑紫东单男子低帮复古篮球鞋dx435501542
图片尺寸350x350
宝马系列这款车是一款suv,它的车身尺寸是4565×1821×1624mm
图片尺寸640x423
缓冲放大器 运算放大器 njm4565v-te1 njm4565 - 1 - ver.
图片尺寸511x788
共4565 件轻便徒步户外鞋子相关商品
图片尺寸800x800
上海川代轴承机械有限公司
图片尺寸981x621
nike 耐克 詹姆斯使节5篮球鞋男536568-005 536568-006-100
图片尺寸1000x1000
new balance 460系列男士运动休闲跑步鞋m460lb1-2e
图片尺寸500x500
起飞的飞机交通运输免费下载_jpg格式_4565像素_编号35100885-千图
图片尺寸1024x678
稀少货.【品牌车型】宝马x4 【车架尾号】 g45659 - 抖音
图片尺寸1920x1440
ds1004565雅居乐花园,面积124.ds1004565 - 抖音
图片尺寸1024x768