ntmp2012a电路图

2012-11-12mp4/mp3充电器电路图与电路理会电路微处理器电视机tmp47c
图片尺寸1279x904
电路工作后,由它输出的5v电压经电容c5,c2滤波后,加到微处理器ic1(tmp
图片尺寸1575x1113
兄台你好,我想向你请教一个pnp三极管构成的恒流源电路,我的问题是
图片尺寸500x486
频率输出的加速度传感器电路 传感器电路 磁传感器转速测量电路 tmp01
图片尺寸502x313
格兰仕微波炉工作原理电路图分析
图片尺寸521x341
ipm模块驱动电路及位置反馈电路常见周边芯片cpu(tmp87cm40af)ta8000s
图片尺寸670x551
免费文档 所有分类 工程科技 电子/电路 熊猫2586 2986 ( tmp87ch38
图片尺寸2648x1758
0次 tmp87c408n 冰箱微电脑集成电路图 雷明顿间
图片尺寸700x932
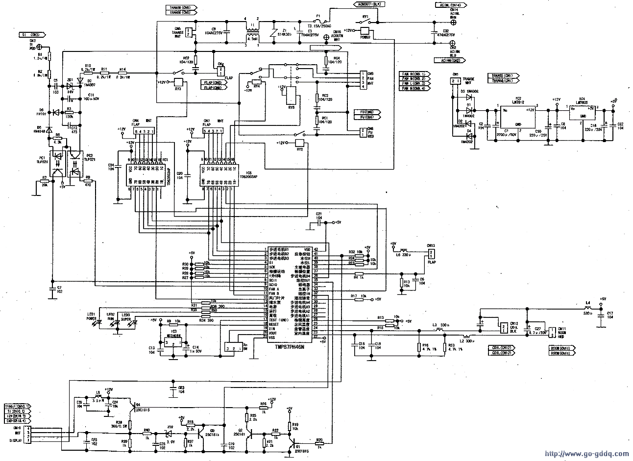
采用tmp87ph46n芯片的kfr-50l/39空调室内电气原理图
图片尺寸1292x941
详解电脑控制型电冰箱典型电路分析与故障检修
图片尺寸1935x1345
温度补偿电路的原理图 www.elecfans.com
图片尺寸438x281
> tmp47c800n 4-bit, mrom, microcontroller, pdip42 pdf资料下载
图片尺寸918x1188
phy芯片外围电路图
图片尺寸1080x852
7p_电路
图片尺寸371x477
tmp10型传感器设定温度控制器电路
图片尺寸901x445
zhshma@126 的博客
图片尺寸478x284
外围电路
图片尺寸1169x827
tmp390在 60°c和-40°c阈值下具有10°c磁滞的示例电路
图片尺寸844x349
安宝路微波炉控制板电路图tmp87ph47u
图片尺寸896x682
电源电路
图片尺寸658x383