ocp8195c应用电路图

这个ocp电路想不明白啊昨晚发梦都想着
图片尺寸4189x2585
typical application
图片尺寸494x290
ocp8122a应用电路图纸12v供电.jpg
图片尺寸1190x692
文档下载 所有分类 工程科技 电子/电路 > ocp8155 datasheet ver 1.
图片尺寸871x460
stm32嵌入式应用系统设计
图片尺寸1289x853
了 650v mosfet 高精度离 线式 led 恒流驱动芯片,可应用于输出功率
图片尺寸1240x1754
hifidiy论坛-请问这个upc1237保护电路有没问题 - powered by discuz!
图片尺寸676x864
电源技术 设计应用 基于单片机的恒流源技术研究 恒流源电路原理
图片尺寸574x358
四种tda2030a功放电路应用接线图
图片尺寸967x553
ocp8161
图片尺寸548x330
主板开机电路的工作原理图_电子设计应用_电子设计产品方案--华强电子
图片尺寸1057x456
脚电阻开路保护 ◆工作温度范围:ta=-40 ~ 85℃ ◆dip-8l封装 应用
图片尺寸682x382
三款cx20106ka2148应用红外遥控电路图
图片尺寸1001x625
开关电源原理及其应用维修技术培训资料
图片尺寸2753x1133
无忧文档 所有分类 工程科技 电子/电路 测量放大器应用中的抗共模
图片尺寸2788x1760
tm16237应用图.jpg
图片尺寸768x515
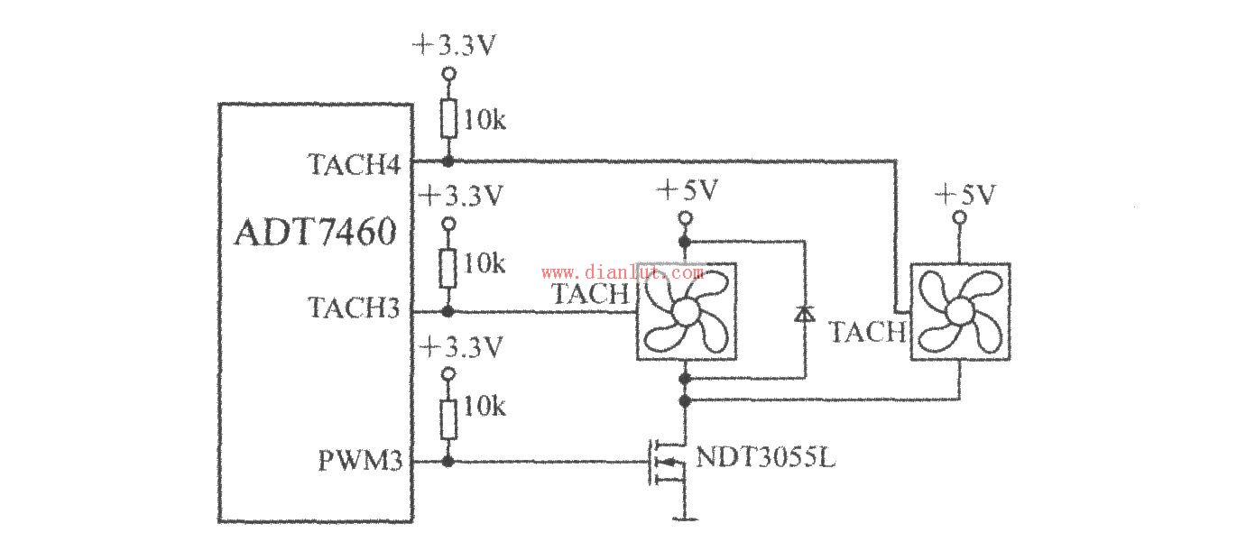
adt7460构成的pwm3端同时驱动两台三线风扇电路_电子设计应用_电子
图片尺寸1381x601
电路图
图片尺寸910x455
过流保护电路
图片尺寸730x349
单片机在报警主机中的应用-电子器件知识电路图-电子产品世界
图片尺寸344x288