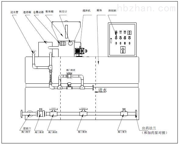
pam自动加药装置原理图

天尼威环保pam自动加药装置三腔式加药装置
图片尺寸480x370
一体化加药设备自动加药装置pam加药装置ph自动调节加药系统
图片尺寸1357x1920
一种智能化pam自动化加药装置的制作方法
图片尺寸1000x602
pac/pam干粉加药装置
图片尺寸1005x527
水处理加药装置全自动加药装置pam全自动加药装置
图片尺寸700x467
加药装置原理及概述
图片尺寸595x450
pam加药装置
图片尺寸587x473
pac pam全自动一体化 三厢式 三箱式 水处理加药装置 设备 加药机
图片尺寸680x950
这套图纸中包含50l加药漏斗(干粉输送装置)的制作图这是每块钣金焊接
图片尺寸820x352
螺杆泵加药装置-台州市pam加药装置生产商/高锰酸钾加药装置的价格
图片尺寸773x513
加药装置,自动加药装置,干粉自动投加装置生产企业-168531
图片尺寸942x498
销售pac pam ph 冷却塔 循环水冷却水全自动一体化加药装置 设备
图片尺寸750x497
污水处理pam,pac一体化加药装置cad详图
图片尺寸1440x1020
pam全自动加药装置不锈钢干粉泡药机絮凝剂三箱一体化溶药装置
图片尺寸800x1126
pacpam自动投放加药装置废水污水处理设备一体化全自动加药装置
图片尺寸750x1197
加药装置 pac加药装置 pam加药设备 絮凝加药机 投药更准确
图片尺寸804x643
海舟pam自动加药装置-pam加药装置型号齐全
图片尺寸1000x1000
酸碱自动调节装置 全自动加药机 pam全自动加药装置 威铭加药搅拌
图片尺寸1000x1000
一体化自动加药装置
图片尺寸720x400
一体化高效pam加药装置_望景环保全自动加药装置_废水处理加药装置
图片尺寸1000x750