pfc电路工作原理图

pfc电路原理图:d,以上介绍只是简单的元件组合,没有复杂电路,所以实际
图片尺寸1005x595
pfc原理_pfc电路图及其原理-csdn博客
图片尺寸1666x1034
变频空调以及功率因数校正pfc电路的过流保护电路
图片尺寸1954x1355
pfc电路原理与分析
图片尺寸582x425
pfc原理_pfc电路图及其原理-csdn博客
图片尺寸761x496
pfc电路中旁路二极管的作用是什么
图片尺寸803x466
单相升压pfc电路
图片尺寸600x266
改进的单级pfc变换电路
图片尺寸881x915
用l6562a做的pfc电路板输出电压稳不住一只往上升是什么原因
图片尺寸1396x689
基于三相耦合电感的无桥pfc电路
图片尺寸2012x1241
知识科普 有源pfc电路工作原理简析
图片尺寸471x276
在crm升压型pfc变换器工作范围内的任意条件下,开关管导通时间ton(t)
图片尺寸2031x959
文档下载 所有分类 工程科技 电子/电路 > 带极低thd的过渡模式pfc
图片尺寸2344x1569
干货4个步骤让你明白pfc电源原理分析技巧
图片尺寸1080x483
pfc原理_pfc电路图及其原理-csdn博客
图片尺寸826x455
cn108880393a_交错式pfc控制电路及电机驱动电路在审
图片尺寸2702x1282
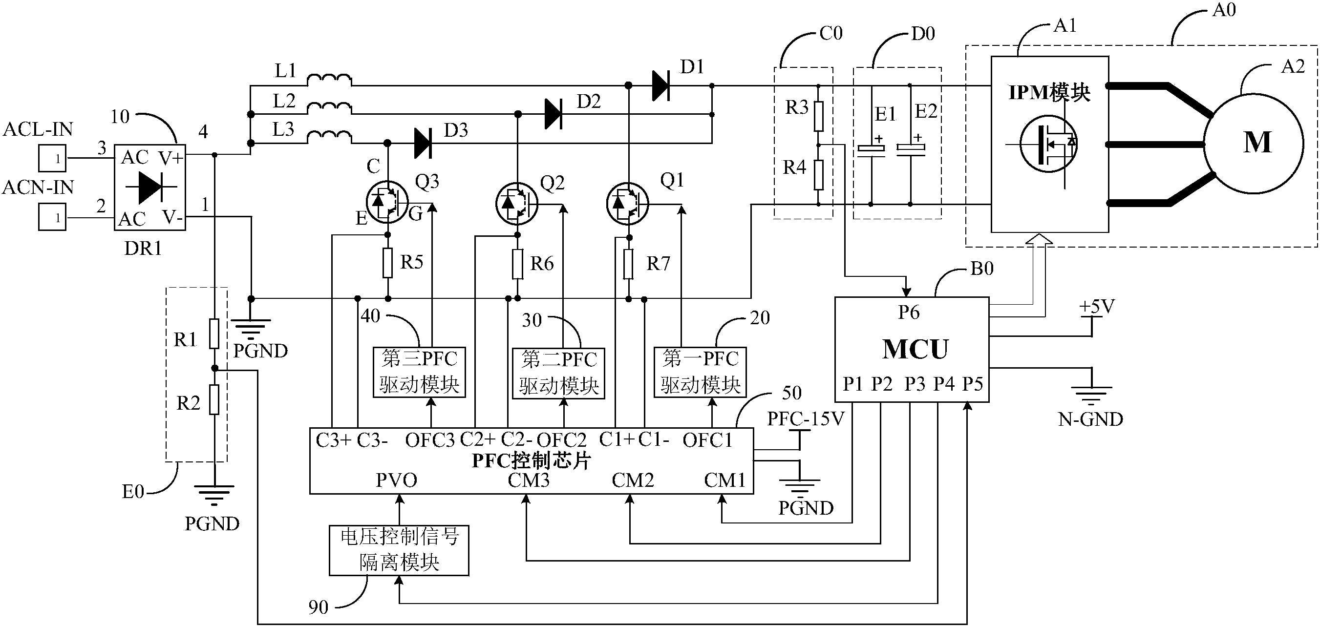
一种pfc电路的制作方法
图片尺寸1000x543
二极管的作用boost升压pfc电感并联电路
图片尺寸1014x456
cn103390995a_一种pfc电路有效
图片尺寸1000x592
pfc控制电路优化设计 平均电流控制模式下的boost-pfc原理图如图1所示
图片尺寸1892x1064