ph2.0端子规格书

ph2.0直针 弯针 连接器图片_2
图片尺寸500x1520
产品参照规格书
图片尺寸1418x1920
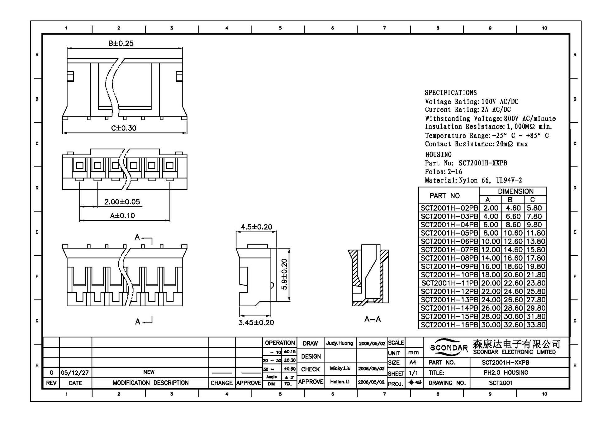
ph规格书_页面_08-t
图片尺寸1920x1357
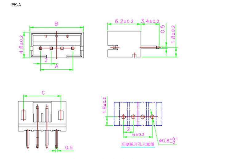
ph 2.0mm条形连接器 接插件 连绕端子 连接器
图片尺寸744x1024
直销ph/2.0胶壳,zh/1.5端子,1.25条形连接器-「连接器」-马可波罗网
图片尺寸1418x1920
ph2.0 mm间距 白色 接线端子 接插件 直针座180度2p 3p 4p 5p~12p
图片尺寸750x550
ph2.0mmph2aw米色耐温2p3p4p5p6p7p8p-12p弯针插座接插件连接器
图片尺寸1357x1920
ph2.0贴片针座卧式贴片座led耐高温贴片端子连接器
图片尺寸799x422
ph 博胜电子主要以生产家电连接器,端子和塑料接插件为主,产品规格从
图片尺寸700x1003
ph2.0-3p连接件 间距2.0mm 插头 插座 插头 插簧 端子连接器 10套
图片尺寸750x1920
0mm贴片插座 ph2.0 卧贴 ph2.0立贴系列
图片尺寸1156x817
厂家直供ph-a连接器2.0mm间距直针针座ph2-16a白色直插式接插件
图片尺寸750x1492
0直脚端子母座子2p3p4p5p6p7p8p 直针座 tb-phz2.
图片尺寸750x515
加工定制:是品牌/商标:国产型号/规格:ph应用范围:接线端子种类:端子
图片尺寸600x818
厂家直供ph-a连接器2.0mm间距直针针座ph2-16a白色直插式接插件
图片尺寸750x1496
san规格书
图片尺寸1356x1767
ph20mm间距卧贴接插件针座2p6p接线端子耐高温smt贴片ph连接器
图片尺寸800x641
0-1(phc贴片)连接器 4位ph胶壳,针座 1,端子和胶壳尺寸: 1.
图片尺寸573x253
pack电池连接线 jst ph 2.0mm间距 2根线红黑线束
图片尺寸1920x1357
供应ph xh rh sh th bh ch eh 13p电子端子连接线1.5 2.0间距 2.54
图片尺寸564x800