plc程序 电动机

plc电机正反转控制电路图梯形图程序
图片尺寸940x586
大功率电动机双向星三角启动及能耗制动plc控制电路
图片尺寸571x800
1,用比较指令实现电动机的顺序启动逆序停止的plc控制 控制要求:有三
图片尺寸493x676
步进电机的三菱plc控制编程梯形图
图片尺寸618x608
问:plc编程(设计控制三台电动机m1,m2,m3顺序起动和停止的程序)要求
图片尺寸1920x2560
谁有步进电机三菱plc正反转简单的控制程序,谢谢了
图片尺寸792x537
plc控制三相异步电动机正反转设计
图片尺寸486x262
如图所示,望采纳;左边部分为三相异步电动机正反转控制的主回路由图
图片尺寸640x1138
伺服电机控制伺服电机案例程序整套伺服电机plc程序编写案例
图片尺寸970x602
plc控制步进电机程序
图片尺寸453x557
求一个plc的电机正反转的梯形图,sfc也可以,型号是thplc-c型,要有新意
图片尺寸619x485
三菱plc控制步进电机编程97293.pdf 3页
图片尺寸860x1218
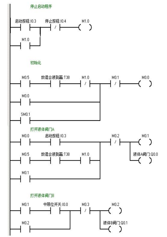
plc接线图程序调试及结果分析当按下在线控制面板上的i0.03f 即(i0.
图片尺寸582x822
西门子s71200plc控制两台电动机顺序启停逆序停止plc程序实例
图片尺寸586x650
写出三相电机星三角启动程序(编写完成截图),用plc梯形图编程,以下是
图片尺寸560x538
plc控制二台电动机顺序启动顺序停止解决方案华强电子网
图片尺寸1213x706
电动机要求用plc实现三台电动机顺序启动逆序停止的手动,自动控制程序
图片尺寸881x403
三菱plc控制步进电机编程把马达细分调到50,也就是10000脉冲是一圈.
图片尺寸1071x1518
我需要一个控制电机正反转的plc程序 谢谢
图片尺寸1157x473
三菱plc控制星三角启动的程序案例
图片尺寸403x559