pmos低电平导通图解

pmos nmos简单应用 - xiaokangkp - 博客园
图片尺寸556x444
第二种为pmos管典型开关电路,为高电平断开,低电平导通,drain端接后面
图片尺寸511x546
nmos和pmos导通条件-详解nmos和pmos导通电路图及区别-kia mos管
图片尺寸530x125
单片机驱动pmos管不能关断问题请教
图片尺寸720x680
当vin为高电平时,nmos导通,灯亮;当vin为低电平时,nmos关断,灯灭.
图片尺寸978x680
为什么pmos比nmos的沟道导通电阻大,速度慢,价格高-透彻详解
图片尺寸454x383
mos管基本使用电路图解
图片尺寸530x549
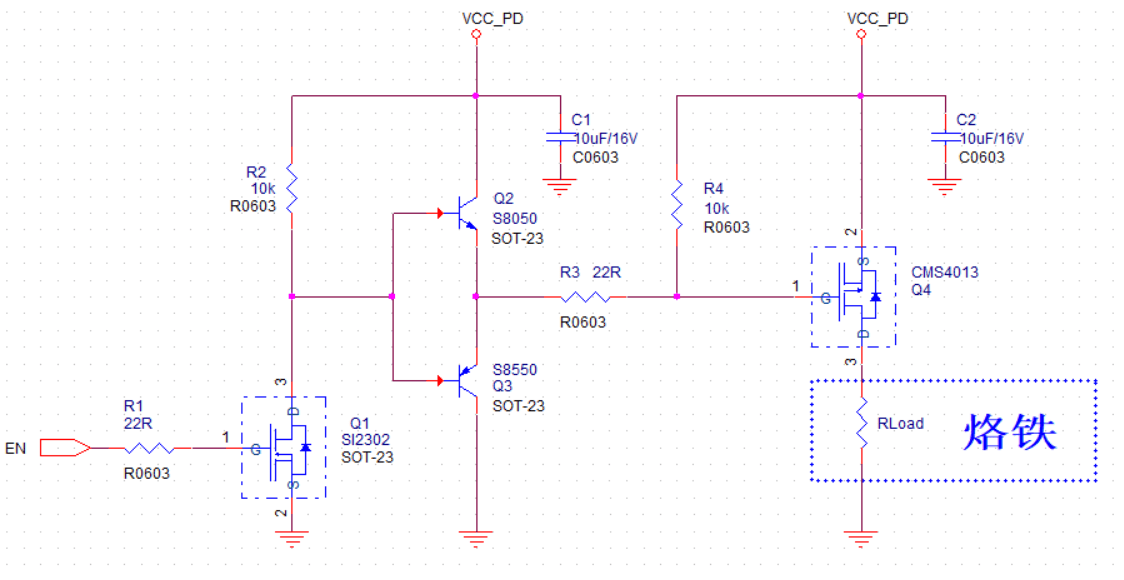
6.应用电路
图片尺寸673x292
s极电压固定,只需g极电压比s极低6v即可导通,使用方便;同理若使用pmos
图片尺寸981x631
请教高手pmos管的隔离作用
图片尺寸584x756
nmos与pmos导通条件nmos与pmos导通电路图和区别
图片尺寸530x219
pmos低电平导通,nmos低电平截止 输出高电平pmos高电平截止,nmos高
图片尺寸1136x660
mos管导通条件
图片尺寸1424x934
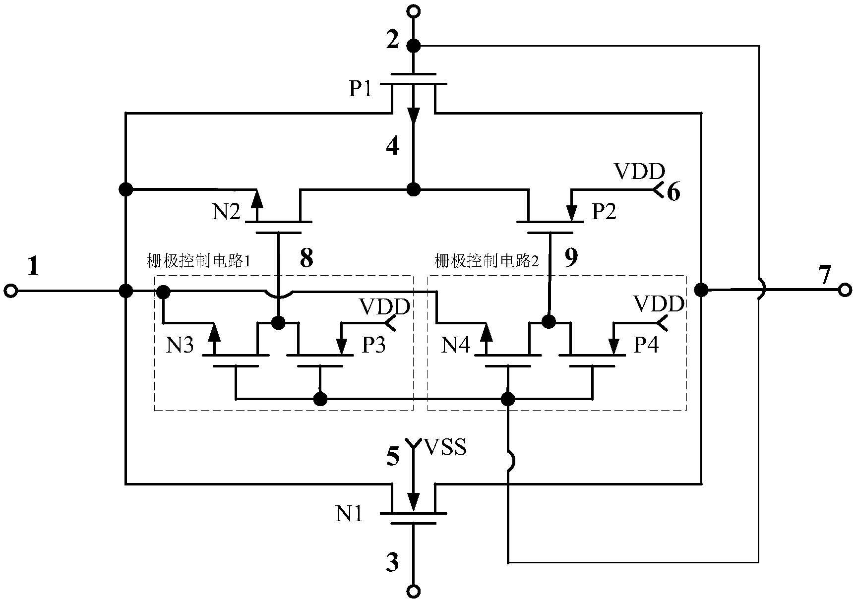
一种带漏电流消除技术的低导通电阻平坦度模拟开关
图片尺寸1726x1214
有人知道,mos管的导通电阻和什么有关吗 ?
图片尺寸1124x580
mos管工作原理_超火的关于mos管电路工作原理的讲解
图片尺寸713x536
pmos晶体管
图片尺寸470x592
nmos管:箭头指向内的为nmos管,nmos管高电平导通,需要下拉电阻
图片尺寸276x296
分析一下图中的电路,当输入为高低电平时的各管导通情况
图片尺寸600x568
控制端为0v时mos管关断,s极的电平为0,当g极给一定电压u0时mos管导通
图片尺寸360x264