pnozs30接线图

pilz安全继电器pnoz x3接线图
图片尺寸691x710
系列剩余电流监控继电器_接线图分享
图片尺寸789x553
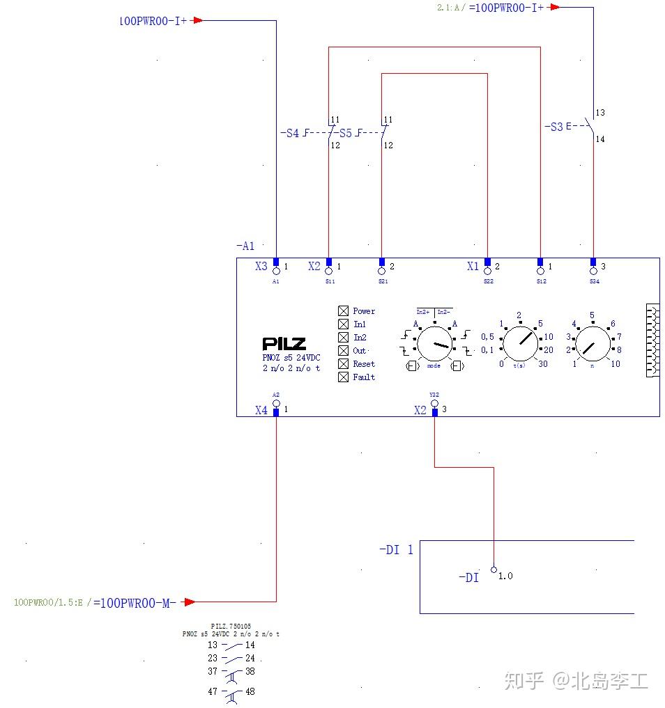
应用实例:pnoz s5安全继电器监控安全门开关
图片尺寸954x1017
pilz继电器750103pnozs3
图片尺寸682x349
pilz的安全继电器pnoz x2.7p/x2.8p的使用 | 方正智芯
图片尺寸700x399
pilz继电器功能描述:pilz继电器pnozx_接线图分享
图片尺寸585x803
西门子执行器_接线图分享
图片尺寸720x465
如何使用pilz的安全继电器pnozs4
图片尺寸604x366
pnoz_s4_start.png
图片尺寸694x367
双通道安全回路的接线图下图所示:好了,关于pilz安全继电器pnoz s7/s
图片尺寸770x530
安全继电器工作原理,接线图,使用方法图解
图片尺寸650x293
下图是不带触点间短路检测的急停按钮接线方法:pnoz s4的供电
图片尺寸722x299
皮尔兹pilz_pnoz x2.8安全继电器接线图-深圳天之行电器有限公司
图片尺寸1334x1001
03操作说明 下面以pnoz x2p型号为例讲述pilz皮尔兹安全继电器的接线
图片尺寸759x511
当使用单通道的急停按钮时,把s21-s22相连,s32-s31相连,然后把急停
图片尺寸546x222
pilz德国pnozs624vdc
图片尺寸567x379
pnoz pe1p
图片尺寸752x956
a1和a2是继电器的电源接线端子,pnoz s5有两种电压范围的产品: 24v dc
图片尺寸720x492
pilz安全继电器扩展单元pnozs7s71s72的使用
图片尺寸865x569
pnoz系列pilz安全继电器订货号是7开头的
图片尺寸528x272