ppr内丝三通规格

批发 伟星绿色ppr管件 连体阴螺纹三通 连体内丝三通d20*1/2*d20" d25
图片尺寸960x1442
ppr顺水三通
图片尺寸1000x688
等径异径三通规格表
图片尺寸800x1132
ppr内丝三通2025324分6分1寸ppr内牙三通ppr水管管件加厚50mm12寸
图片尺寸790x297
等径三通
图片尺寸2010x2457
ppr热熔配件水管全铜内丝三通 20 25 32mm内牙三通接头 铜牙三通
图片尺寸750x1451
批发 伟星 绿色ppr管件 阴螺纹三通 内丝三通 d20 d25 d32 d40
图片尺寸960x1522
梯橙ppr内丝三通灰白两色ppr水管钢内丝螺纹三通ppr丝扣管件规格齐
图片尺寸1920x1920
三通异径三通尺寸表
图片尺寸920x1301
公元ppr内螺纹三通 Φ20*3/4内丝三通 苏州内牙三通 ppr三通
图片尺寸543x414
河北圣天 316不锈钢对焊同径三通,ts-18*3-316-gb/t12459-2017,Ⅱ系列
图片尺寸790x1104
爱康·保利ppr铜水管配件-内丝三通25*1/2 厂家直销【图片 价格 规格
图片尺寸750x1038
2011年最新异径三通规格表
图片尺寸860x1216
等径三通ii系列
图片尺寸899x494
规格:20-63mm颜色:黑色系列:pe承插管件品名:雅洁管业 pe内丝三通产品
图片尺寸970x488
不锈钢304 316l高压内丝三通 内螺纹高压三通npt rc zg g螺纹三通
图片尺寸760x642
2011年最新异径三通规格表
图片尺寸860x1216
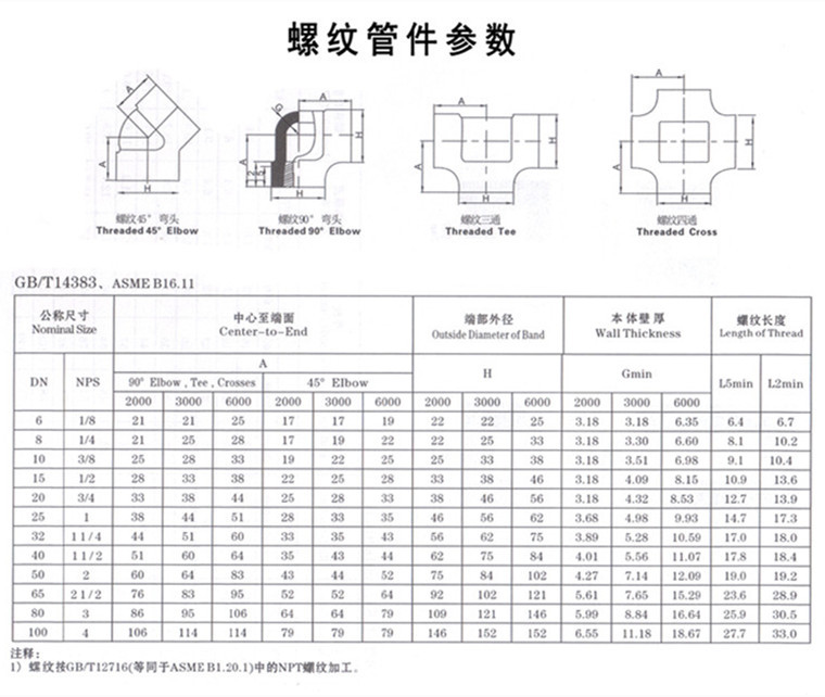
常用管件 ppr管配件规格 热镀锌钢管理论重量表 三通重量 的相关
图片尺寸598x959
三通尺寸及表面积xls
图片尺寸920x651
供应 三通接头 钢丝网骨架pe复合管件电熔正三通dn250多种规格
图片尺寸750x643