pv2r1叶片泵参数

yuken油研pv2r1液压叶片泵pv2r1-17-f-raa pv2r1-6-f-raa-43 pv2r1
图片尺寸778x1113
yuken油研pv2r1液压叶片泵pv2r1-17-f-raa pv2r1-6-f-raa-43 pv2r1
图片尺寸798x1241
定量叶片泵pv2r系列工作参数
图片尺寸720x976
油研pv2r双联叶片泵技术参数
图片尺寸750x861
油研pv2r系列叶片泵
图片尺寸2484x3508
弋力pv2r系列单级叶片泵规格说明及pv2r1系列叶片泵尺寸图
图片尺寸780x1017
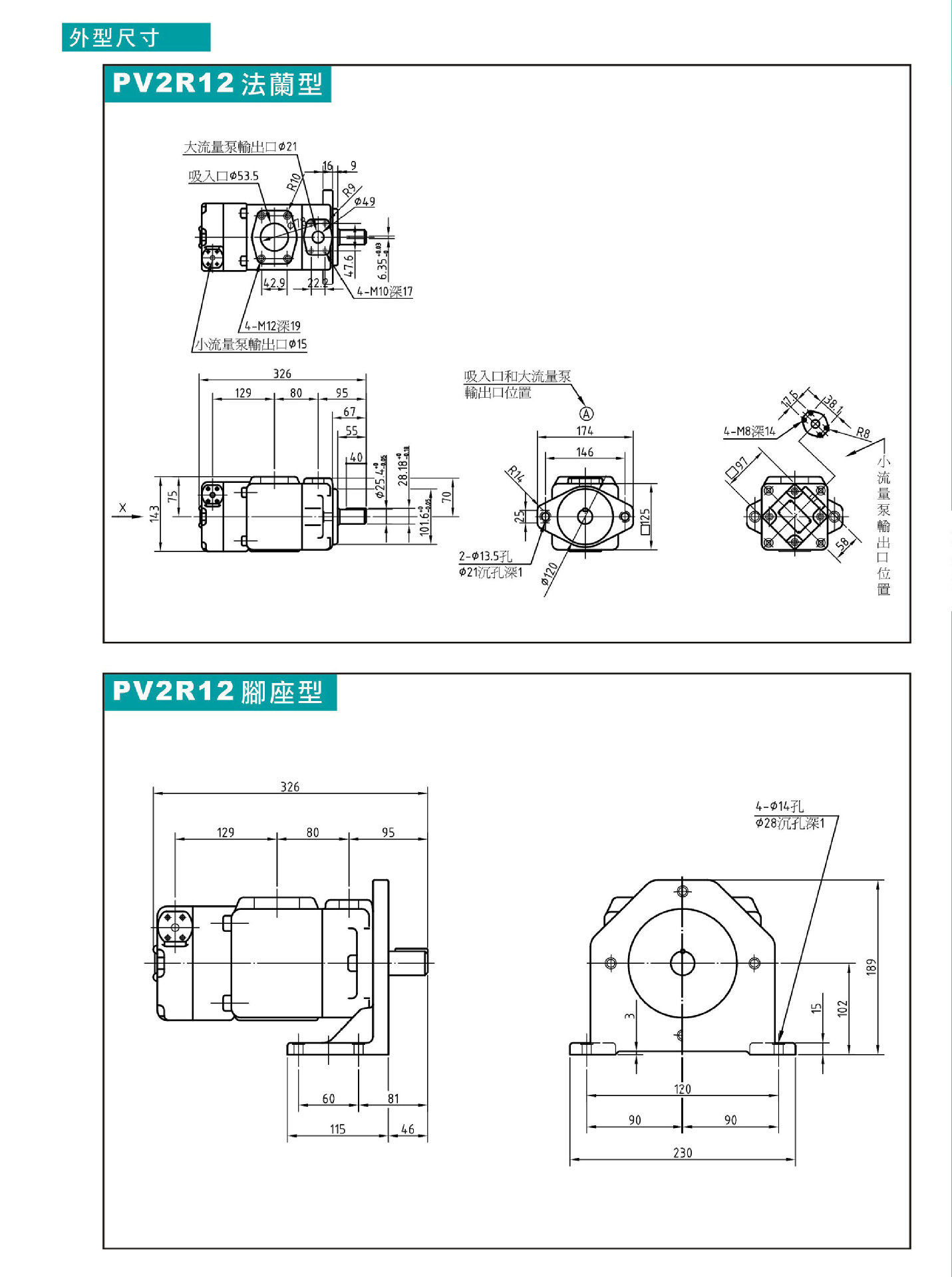
专业供应 pv2r12高压定量双联叶片泵
图片尺寸1616x1920
台湾pv2r1-23-f-raa-41叶片泵r1-25-19-17-31-14-10-rab-rar-f-r
图片尺寸600x591
专业供应 pv2r12高压定量双联叶片泵
图片尺寸1431x1920
pv2r1-6-pv2r4-237高压叶片泵
图片尺寸800x1074
pv2r1 pv2r2 pv2r3 pv2r4 用于机床 pv2r 叶片泵的液压固定变量叶片泵
图片尺寸1000x1180
pv2r3-66r高压叶片泵
图片尺寸920x1257
日本yuken叶片泵pv2r2-53-f-raa-41
图片尺寸776x1198
变量叶片泵ybp16b数控机床油泵
图片尺寸950x1251
ybe10016高性能双联叶片泵
图片尺寸730x1027
pv2r1-6-pv2r4-237高压叶片泵
图片尺寸800x1074
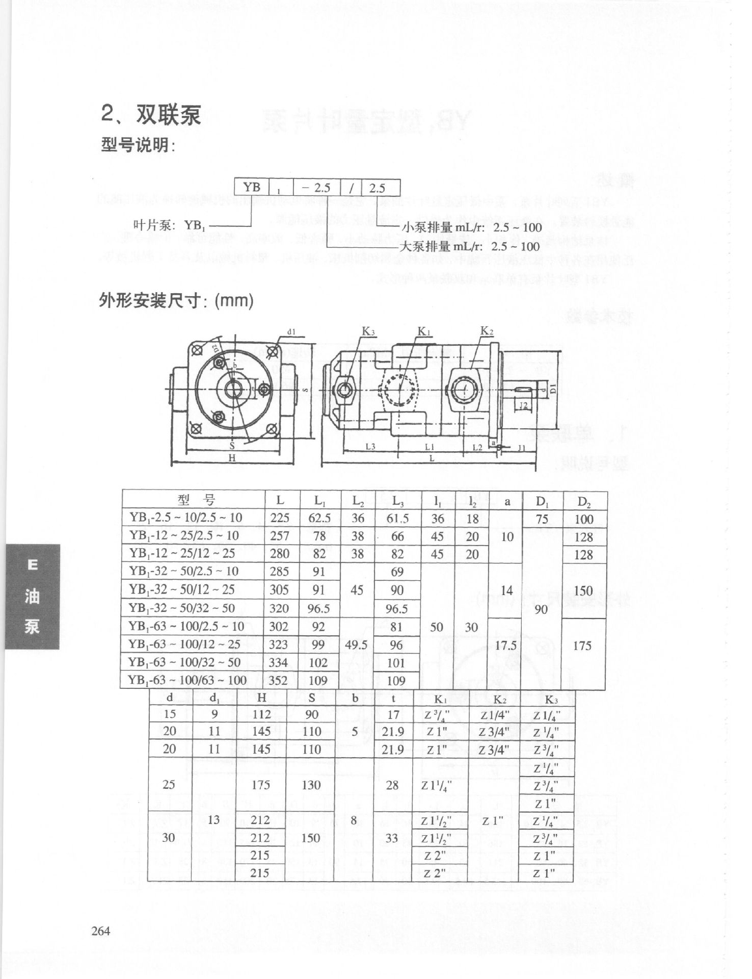
上海格美特 液压叶片泵yb1-2.5 yb1-4 yb1-6 yb1-10 yb1-12/16
图片尺寸1476x1920
厂家供应油研油泵pv2r2-26/33/47/53/59/65/75油研叶片泵,价格优
图片尺寸626x762
tasheng大生叶片泵pv2r1-25-fraa
图片尺寸2552x3579
德威pv2r3pvl3系列高压定量叶片泵批发
图片尺寸1415x1920