qw300模块接线图

西门子s7-300 plc常用的模块接线图
图片尺寸752x584
西门子s7-300 plc常用的模块接线图
图片尺寸759x582
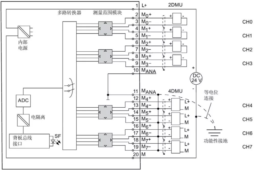
4 线制测量传感器图 6-7 方框图和接线图接线:电压测量模拟输入模块
图片尺寸1080x665
西门子s7-300 plc常用的模块接线图
图片尺寸751x608
西门子300模块接线图
图片尺寸339x420
下载地址 300模块接线图下载 下载此资料的人还喜欢: s7-300模块数据
图片尺寸354x299
vm300 wifi模块.doc
图片尺寸794x1123
西门子s7_300常用模块接线参考图
图片尺寸637x560
西门子s7-300 plc常用的模块接线图
图片尺寸778x597
西门子300,400模块接线图
图片尺寸508x361
西门子300,400模块接线图
图片尺寸358x322
西门子300,400模块接线图
图片尺寸353x320
西门子300,400模块接线图
图片尺寸374x335
西门子plc300电源输入模块
图片尺寸758x736
【专业资源】西门子s7300全套模块接线图,终于集齐了!
图片尺寸493x523
安川g7接线端子图_图解西门子s7-300plc模拟量模块接线方法
图片尺寸720x471
s7-300模块接线图
图片尺寸708x343
西门子s7300模拟量模块如何接线
图片尺寸660x413
高温烤漆 四, dqw300普通防爆电动执行器 主要技术参数见表 1 八,接线
图片尺寸600x310
开关量模块,模拟量模块); s7300接线图s7300模块接线图 西门子s7300
图片尺寸611x525