rc延时电路原理图

rc延时导通电路
图片尺寸616x564
rc电阻电容延时电路简要分析
图片尺寸893x452
rc电阻电容延时电路简要分析
图片尺寸893x449
rc延时电路怎么确定电容参数
图片尺寸512x384
rc延时电路
图片尺寸640x660
延时启动自动延时停止控制电路
图片尺寸640x794
rc延时电路
图片尺寸640x378
三极管开关延时电路
图片尺寸972x527
求个rc延时电路
图片尺寸721x556
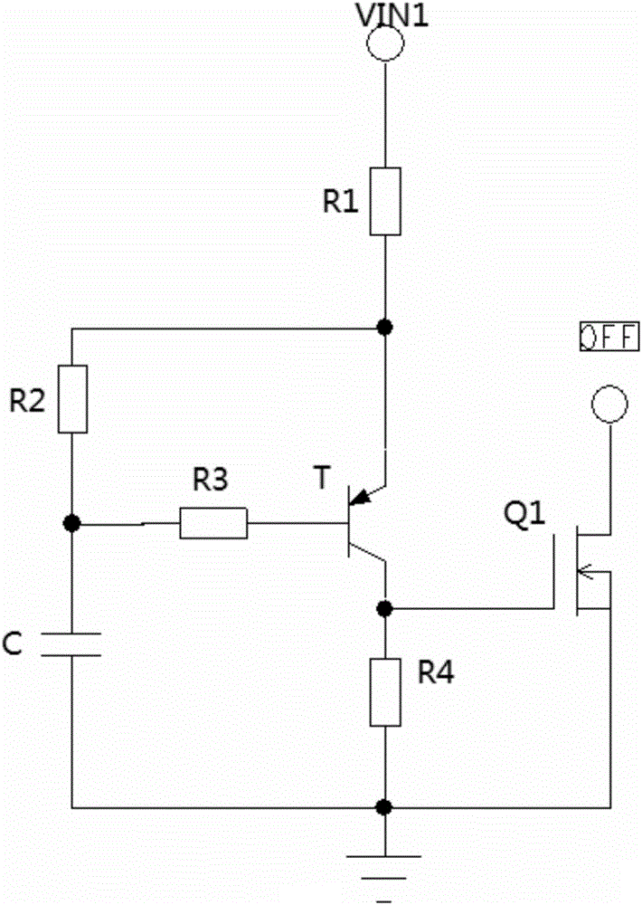
rc延时电路接上继电器后电容的正极电压拉低
图片尺寸706x573
rc延时电路怎么配置?
图片尺寸426x487
维修电工电路
图片尺寸1080x810
rc延时, 向左转 向右转 就这样的电路,9013的vbe是1.
图片尺寸601x564
延时器电路
图片尺寸720x540
延时电路
图片尺寸1586x1770
rc延时电路 延时计算
图片尺寸369x385
延时电路让喇叭在通电的前7秒不响已上大图
图片尺寸646x379
比较器与rc延迟断电控制电路,很多电路均会采用比较器来实现自动控制
图片尺寸1840x896
帮看下这个rc延时电路
图片尺寸542x300
cn205407765u_延时电路有效
图片尺寸710x1000