rc环形振荡器

acloserlookatthedesignofcutterheadsforhardrocktunnel
图片尺寸1600x783
td silent
图片尺寸1259x1224
简- 商品列表详情 - 景丰电子有限公司
图片尺寸1200x1000
简- 商品列表详情 - 景丰电子有限公司
图片尺寸1200x1000
rc环形振荡器
图片尺寸174x247
33环形振荡器ringoscillator
图片尺寸967x699
我们的产品
图片尺寸600x600
seismometer
图片尺寸1798x1798
简- 商品列表详情 - 景丰电子有限公司
图片尺寸1200x1000
有关以下物品的详细资料: k&n filters 69-8613ts
图片尺寸1495x1500
简- 商品列表详情 - 景丰电子有限公司
图片尺寸1200x1000
thegreatringoscillator环形振荡器
图片尺寸720x318
环形振荡器
图片尺寸1004x678
简- 商品列表详情 - 景丰电子有限公司
图片尺寸1200x1000
die-sinking edm gf machining sol
图片尺寸900x600
ic设计环形振荡器ringoscillatior
图片尺寸523x389
rc series helical marine gearbox
图片尺寸640x640
高频元件与器材
图片尺寸750x741
2 sine wave test equipment dds signal generator
图片尺寸1001x1001
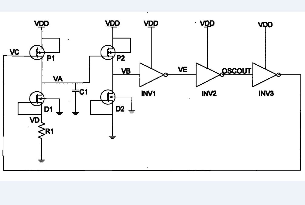
带rc电路的环形振荡器电路图
图片尺寸402x151