rfid读写器原理图

cn201707686u_超高频rfid读写器模块有效
图片尺寸2394x1654
单片机实例分享,rfid卡读写器的设计
图片尺寸538x287
rfid是一种利用射频信号和空间耦合(电磁耦合或电感耦合)原理,实现读
图片尺寸851x531
rfid读写器的组成软件与硬件部分
图片尺寸889x313
当一件带有rfid标签的物品进入rfid阅读器读写范围内时,标签就会被
图片尺寸1000x678
rfid射频识别模块的电路原理图-电子电路图,电子技术资料网站
图片尺寸737x476
图15.5 rfid 卡读写器主板电路原理图
图片尺寸1323x851
rfid读写器是由什么组成? - 深圳市芯创益技术有限公司
图片尺寸1259x1080![[问答] 基于r1000的rfid超高频读写器有什么作用?](https://i.ecywang.com/upload/1/img0.baidu.com/it/u=610492493,939886266&fm=253&fmt=auto&app=138&f=JPEG?w=554&h=401)
[问答] 基于r1000的rfid超高频读写器有什么作用?
图片尺寸554x401
rfid读写器天线的工作原理和设计的基本步骤说明
图片尺寸750x447
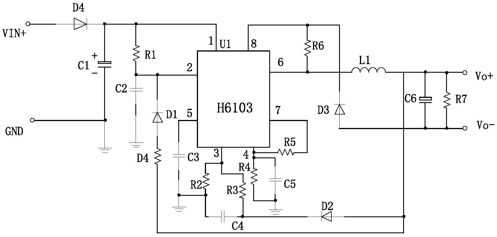
一种rfid射频识别芯片的空中接口数据读写电路
图片尺寸1737x828![[射频器件] rfid读写器的设计](https://i.ecywang.com/upload/1/img2.baidu.com/it/u=2128305166,4260929166&fm=253&fmt=auto&app=138&f=JPEG?w=500&h=352)
[射频器件] rfid读写器的设计
图片尺寸1071x753
rfid原理图_word文档在线阅读与下载_免费文档
图片尺寸3565x2354
一套完整 rfid系统由 reader 与 transponder 两部份组成 ,其动作原理
图片尺寸752x639
rfid技术的基本结构,与工作原理是什么_rfid射频识别系统_rfid读写器
图片尺寸758x337
「阿库课堂」第一期 · rfid基础知识之原理篇1
图片尺寸815x410
采用em4095芯片做的125khzrfid读卡器的电路图
图片尺寸732x436
一种rfid标签读写器
图片尺寸1498x990
一种rfid读写器系统以及功率校准方法
图片尺寸1913x849
rfid读写器是由什么组成? - 深圳市芯创益技术有限公司
图片尺寸1211x611