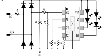
rm9003b应用电路图

rm9003b代理商单通道led恒流驱动控制芯片
图片尺寸971x424
rm9003b钲铭科单段线性恒流ic
图片尺寸750x607
半压高p线性恒流驱动—rm9003b灯丝灯应用典型方案
图片尺寸640x358
rm9003b_18w pdf下载及第1页内容在线浏览
图片尺寸945x1412
筒灯恒流驱动控制ic方案高功率sm2318e替换rm9003
图片尺寸436x225
on/off调光调色外围电路简单的rm9006ac
图片尺寸360x183
基于nfc的无线通信系统电路设计 - 应用电子电路 - 电子发烧友网
图片尺寸700x571
开关电源应用电路常见开关电源电路设计汇总八款模拟电路设计原理图
图片尺寸594x612
典型应用图
图片尺寸724x465
基于单片机的温度监测系统的设计-aet-电子技术应用
图片尺寸759x509
rm9003a是一款与可控硅调光器兼容的单级led恒流驱动控制芯片应用程序
图片尺寸441x265
tda2616功放电路图-应用电路-单电源功放电路
图片尺寸556x489
亚成微线性rm9003a/rm9003b led驱动ic 恒流驱动外围简单成本低
图片尺寸513x509
基于单片机的智能太阳能路灯控制系统的设计方案-aet-电子技术应用
图片尺寸1000x479
高压线性恒流icsm2082k在led灯驱动照明方案中可替换cl1570rm9003b
图片尺寸539x220
五菱凯捷荣光新卡征途宏光宝骏530rm-5rs-5rc-6e300维修手册电路图册
图片尺寸1080x935
an5265构成的放大电路应用电路
图片尺寸535x234
l6562d引脚功能及应用电路
图片尺寸855x569
高压线性恒流icsm2082k在led灯驱动照明方案中可替换cl1570rm9003b
图片尺寸719x243
rm9003b datasheet
图片尺寸1240x1754