rto工艺流程图

rto 装置工艺流程图
图片尺寸485x399
旋转rto工艺流程图.jpg
图片尺寸1055x691
rc rto工艺流程
图片尺寸666x401
rto工艺流程图
图片尺寸1269x715
蓄热式焚烧炉工艺设计流程图:rto蓄热式焚烧炉工艺实例
图片尺寸789x392
三室rto工艺流程图
图片尺寸962x450
rto蓄热式焚烧设备工艺流程图
图片尺寸800x500
沸石转轮浓缩 rto蓄热式焚烧炉工艺图
图片尺寸600x450
工艺流程图
图片尺寸800x565
旋转式rto在精细化工行业vocs末端治理中的应用
图片尺寸720x473
rto蓄热式焚烧设备工艺流程图
图片尺寸700x384
某工程rto燃烧废气处理工艺流程图
图片尺寸610x432
rto之10大废气处理工艺
图片尺寸599x224
蓄热式rto焚烧工艺流程简图
图片尺寸512x408
沸石转轮催化燃烧工艺流程图:大风量低浓度的有机废气经过转轮浓缩
图片尺寸751x492
图1rto 工艺流程图
图片尺寸588x430
rto设备工艺流程图
图片尺寸600x400
4,适用范围:rto蓄热式燃烧工艺适用于净化化工,塑料,橡胶,制药,印刷
图片尺寸600x450
rto 工艺原理(图 2).
图片尺寸908x534
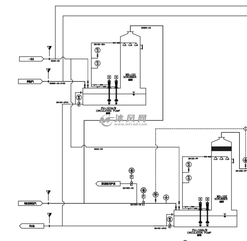
转轮rto处理工艺流程图
图片尺寸820x802