rv减速机尺寸图

rv75涡轮减速机安装尺寸图纸 很多朋友都在找rv130涡轮减速机安装尺寸
图片尺寸2301x3201
rv减速机尺寸图
图片尺寸1428x1920
涡轮蜗杆减速机rv50
图片尺寸1281x1652
中邮·机械|人形机器人系列专题(九):rv减速器——重负载关节的潜力零
图片尺寸700x804
rv蜗轮蜗杆减速机安装尺寸表
图片尺寸670x846
厂家rv50系列减速机,铝合金伺服法兰蜗轮减速机
图片尺寸790x1007
transtecno诠世rv涡轮蜗杆减速机配伺服步进电机使用rv减速器微型
图片尺寸1919x4190
厂家直接销售台申rv减速机 包邮正品
图片尺寸1920x2616
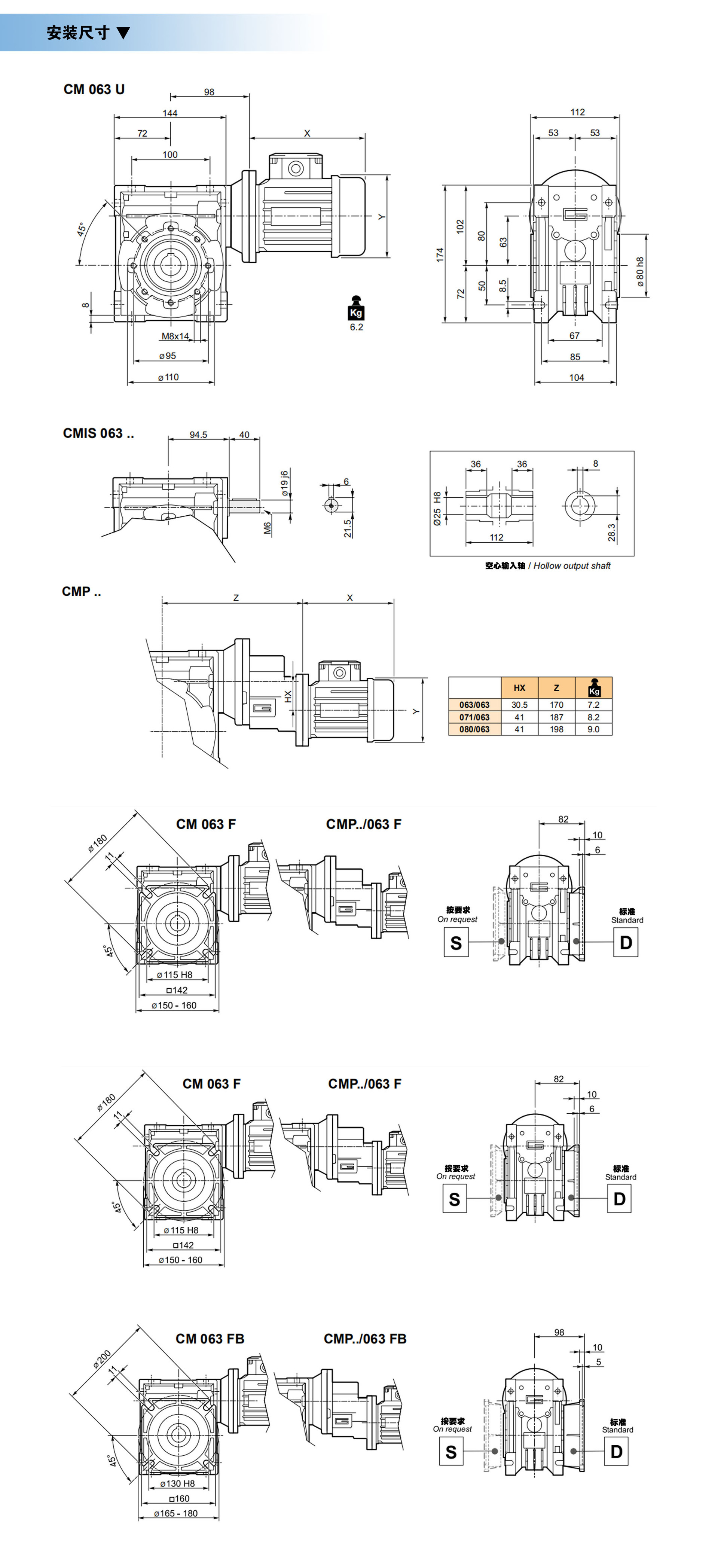
【北机减速机】rv减速机 尺寸参数
图片尺寸1677x2268
厂家批发减速机rv减速机铝合金法兰rv减速器微型涡轮蜗杆变速器
图片尺寸1258x1718
rv蜗轮蜗杆减速机
图片尺寸1242x1683
铝壳电机配rv减速机尺寸图
图片尺寸1425x1920
涡轮蜗杆减速机rv50
图片尺寸1313x1754
rv减速机尺寸
图片尺寸1110x1437
外形尺寸吗 给你尺寸 这种减速机做得厂家不多 也比较贵了 是rv
图片尺寸847x1600
rv蜗轮蜗杆减速机选型参数表
图片尺寸750x1018
rv减速机2一段型尺寸
图片尺寸788x1238
rv040型蜗轮蜗杆减速机尺寸
图片尺寸764x1024
rv双级蜗轮蜗杆减速机的各种参数
图片尺寸1104x1365
佳煌nmrv090孔输入带输入法兰蜗轮蜗杆rv减速机器铝壳变速箱机器
图片尺寸750x1186