s7-200原理图

西门子200plc控制小车往复运动案例电路解析
图片尺寸690x521
西门子s7200全面接线原理图
图片尺寸940x651
s7-200无线通讯教程(s7200怎么连接plc)
图片尺寸878x500
s7-200对步进电机的控制
图片尺寸640x414
s7-200plc电源电路图0
图片尺寸1188x918
选取西门子s7-200的plc
图片尺寸634x334
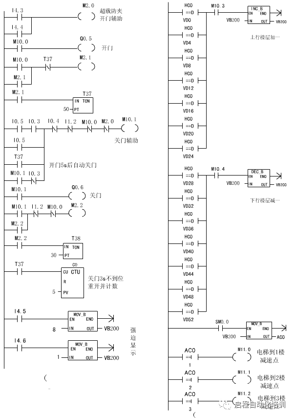
西门子s7200plc在八层电梯控制系统设计上的应用
图片尺寸604x855
plc 200 系列224xp 矿用提升绞车原理图
图片尺寸4136x2679
西门子s7200全面接线原理图
图片尺寸800x636
s7200继电器输出正负极可以反接吗
图片尺寸1251x857
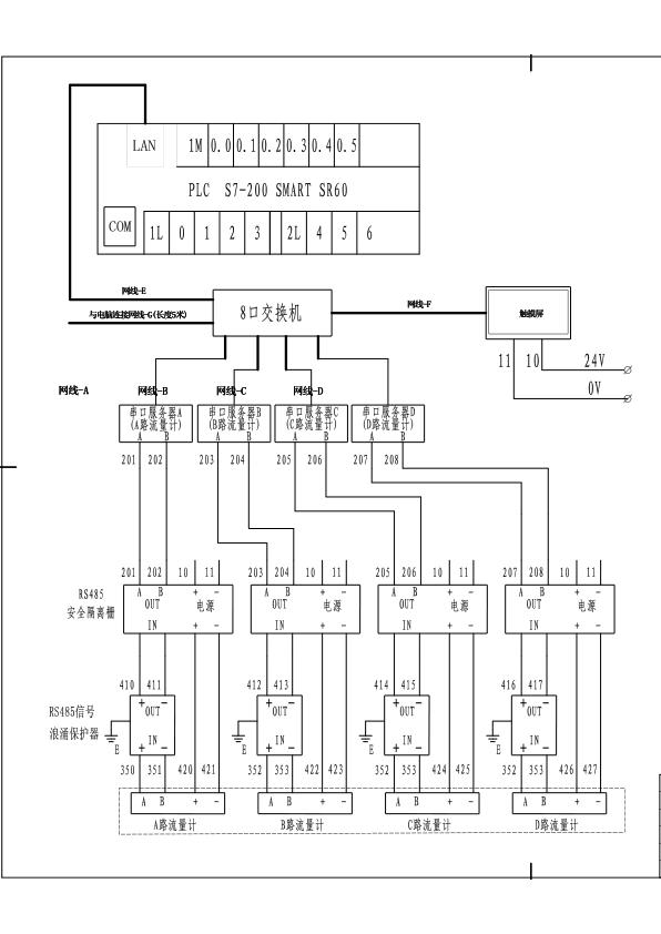
s7200smart以太网通讯可行吗
图片尺寸596x842
西门子s7200系列plc全套接线图
图片尺寸640x372
西门子s7-200系列plc全套接线图
图片尺寸640x707
plc s7-200抢答器报告
图片尺寸804x476
西门子simatic s7-200沥青混合料转运车电控系统
图片尺寸402x464
西门子s7-200 plc的接线图哪位大神有啊!
图片尺寸1524x702
西门子s7200全面接线原理图
图片尺寸874x649
s7-200 smart输出脉冲串的控制方式
图片尺寸640x542
精通s7-200—五台电机顺序启动逆序停止
图片尺寸491x518
西门子s7200系列plc全套接线图
图片尺寸640x436