sae法兰 参数

定制适用sae分体法兰 jb/zq4187-97 a型 3000psi/6000psi afa型 i a89
图片尺寸850x1146
平焊法兰规格表
图片尺寸920x1301
建湖供应不锈钢sae分体法兰
图片尺寸583x741
sae整体法兰
图片尺寸893x1212
法兰标准尺寸表
图片尺寸800x1132
sae整体法兰标准-派瑞特液压(在线咨询)-sae整体法兰
图片尺寸700x1031
国标法兰标准尺寸
图片尺寸800x1132
带对焊法兰头的 sae 分体式法兰部分/iso 6161,iso 6162
图片尺寸1385x1877
sae渡过测法兰 sae压法兰
图片尺寸757x541
法兰尺寸表
图片尺寸724x866
jdafe旋入式sae法兰sae钎焊法兰sae法兰对开法兰
图片尺寸678x953
sae螺纹孔整体法兰
图片尺寸893x1212
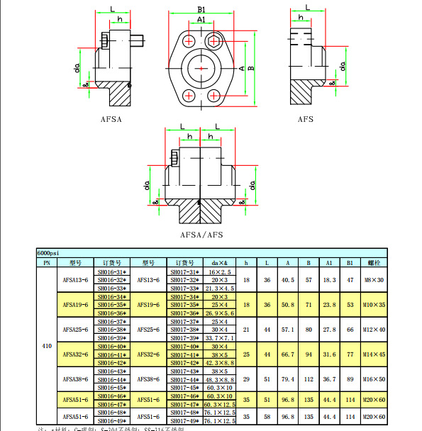
sae对焊高压连接法兰 afsa-afs-afsq系列焊接液压法兰
图片尺寸595x608
sae不锈钢分体式高压法兰jbzq4187b型afkv型bsf型
图片尺寸689x882
sae 计数器法兰/插座焊接法兰/iso 6161,iso 6162
图片尺寸1373x1845
> sae法兰
图片尺寸1141x1721
法兰规格表1
图片尺寸721x711
parker派克法兰式接头 sae法兰 sae对开法兰片 gfs wfs 国产优质替代
图片尺寸750x1061
sae法兰
图片尺寸1240x1682
sae 封堵法兰 blanking carbon steel
图片尺寸1240x1530