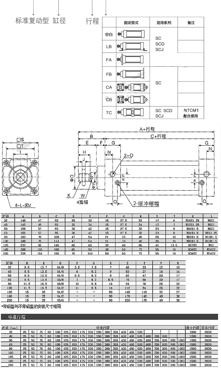
sc125x200气缸参数

重型汽缸sc标准气缸大推力小型气动32x40x50x63x80x100x125x200s精品
图片尺寸790x1557
标准气缸sc125x25x50x100x125x150x200x300x400/500-600s标准气缸
图片尺寸790x810
大型标准气缸大缸径气动sc125x100x200x300x400x500s拉杆汽缸配件sc
图片尺寸790x644
温州厂家现货供应sc标准气缸优质标准气缸质包一年大量现货一只订
图片尺寸750x982
气动元件国标sc标准气缸的安装方式之二
图片尺寸1080x1439
sc标准气缸sc100x25x50x75x100x150x175x200x250x300x400x500x600
图片尺寸900x1201
sc系列标准气缸
图片尺寸893x1214
大缸径大推力重型气动标准气缸sc160x200-50x100x125x150x200x300 sc
图片尺寸800x800
sc系列气缸,气动元件,dycn【多少钱 规格参数 图片 采购】-皇维工控网
图片尺寸918x1156
sc标准气缸规格的选型及气缸安装要求
图片尺寸1313x490
sc系列气缸,气动元件,dycn【多少钱 规格参数 图片 采购】-皇维工控网
图片尺寸918x1190
sc气缸sc160*25*50*75*100*125*150*200*300*350 sc160x200
图片尺寸954x551
sc气缸安装尺寸ppt
图片尺寸1080x810
气动元件标准气缸sc63*25x50x75x100x125x150x200x1000 sc63*300
图片尺寸750x1267
sc标准气缸63x25x50x75x100x125x150x175x200x225x250亚德客型 参数
图片尺寸985x1120
供应sns各种气动元件供应山耐斯牌气缸su标准气缸su4075
图片尺寸1415x1920
亚德客标准气缸sc32x25x50x75x100x125x150x175x200x225x250-s
图片尺寸785x928
标准气缸复动型sc气缸sc3240506380100气缸铝合金拉杆式气缸气动工具
图片尺寸990x1800
sc标准气缸sc100x25x50x75x100x125x150x175x200x250x300x400x500
图片尺寸800x800
定制原装亚德客三轴气缸tcl 12/16/20/25/32x10x20x30x40x50x70-s tcm
图片尺寸750x3411