sd卡接口接线图

sd卡接线图
图片尺寸729x979
stm32sd卡没有加文件系统
图片尺寸1038x485
sd卡/tf卡 硬件接口 sd卡有两种操作接口,sdio和spi.
图片尺寸503x498
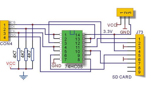
sd卡实用电路图(经实用验证)
图片尺寸960x1357
sd卡的接口可以支持sd卡模式和spi模式两种操作模式.
图片尺寸650x399
2.1 sd卡接口与stm32f1连接原理图
图片尺寸565x392
海康威视出租车sd卡录像机dsmp3504czgle
图片尺寸829x353
深入理解sd卡基础原理以及内部结构的总结
图片尺寸551x526
可以方便地对micro sd卡接口进行配置
图片尺寸779x509
start
图片尺寸1008x752
详谈sd卡/微型sd卡的引脚定义与连接(精美多图)
图片尺寸579x410
mp4数据线口接线图
图片尺寸750x562
stm32的sd卡读取
图片尺寸893x428
tf卡及sd卡接口规范
图片尺寸456x506![sd卡接口设计[附硬件电路和程序]](https://i.ecywang.com/upload/1/img0.baidu.com/it/u=2669383772,2322794260&fm=253&fmt=auto&app=138&f=PNG?w=821&h=500)
sd卡接口设计[附硬件电路和程序]
图片尺寸847x516
diy充电器数据线的接发.
图片尺寸905x503
带rf无线遥控sd卡控制器 可控dmx512护栏管 点光源等外控工程灯具
图片尺寸1813x1920
带有集成的tvs二极管,可用于 t-flash / microsd接口
图片尺寸2582x1026
c语言sd卡检测实验26sd卡spi模式实验
图片尺寸480x279
sd卡接口电路
图片尺寸341x194