sic9555A应用电路图

sic9556a数据表pdf1pageshenzhensisemiconductorscoltd
图片尺寸892x1261
0_电路
图片尺寸928x1007
768xfj控制ic和rohm生产的1700v耐压sic-mosfet的辅助电源的主要电路
图片尺寸1386x545
sic9553a pdf文件_sic9553a供应商_pdf文件在线浏览页面【1/9】-天天
图片尺寸978x1504
led驱动icsic9553500v1a918wsop8dip8深爱半导体si
图片尺寸676x476
基于555pwm脉宽调制电路的概念-电子发烧友网
图片尺寸775x556
常见问题
图片尺寸660x396
sic9555a数据表pdf5pageshenzhensisemiconductorscoltd
图片尺寸892x1261
电源电路图及原理讲解 电源电路工作原理图解 - 应用电子电路 - 电子
图片尺寸570x460
服务器错误
图片尺寸850x1100![[参考译文] pca9555:使用pca9555时出现的一些问题](https://i.ecywang.com/upload/1/img1.baidu.com/it/u=3400748257,622166208&fm=253&fmt=auto&app=138&f=JPEG?w=505&h=441)
[参考译文] pca9555:使用pca9555时出现的一些问题
图片尺寸505x441
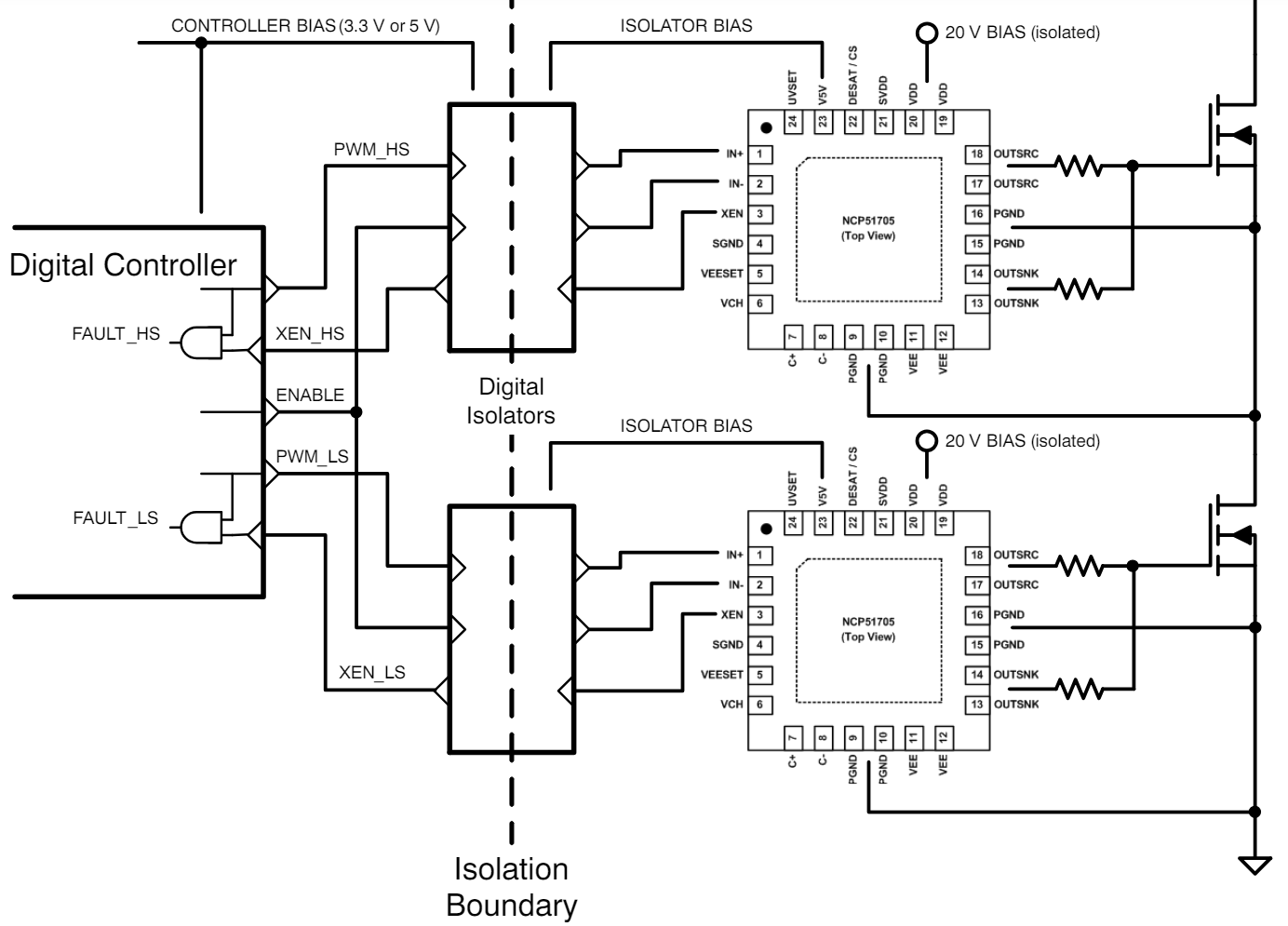
图8 ncv51705半桥应用电路安森美的汽车级sic mosfet 分立器件安森美
图片尺寸1384x995
技术社区
图片尺寸730x456
碳化硅mosfet管特性及其专用驱动电源
图片尺寸574x202
基准电压源的应用-综合电路图-电子产品世界
图片尺寸492x524
525_电路
图片尺寸783x449
sic肖特基二极管在开关电源中的应用
图片尺寸3142x1692
5v500毫安电路图电路|2016-08-21论坛nucleo-f030r8使用stm32cubemx v
图片尺寸763x396
2030_电路
图片尺寸481x713
一种sicmosfet串联驱动电路
图片尺寸845x878