sic9556a应用电路图

768xfj控制ic和rohm生产的1700v耐压sic-mosfet的辅助电源的主要电路
图片尺寸1386x545
sic驱动电路图推荐
图片尺寸574x202
sic9553a pdf文件_sic9553a供应商_pdf文件在线浏览页面【1/9】-天天
图片尺寸978x1504
led驱动icsic9553500v1a918wsop8dip8深爱半导体si
图片尺寸676x476
sic肖特基二极管在开关电源中的应用
图片尺寸3142x1692
急求飞利浦液晶电源1200p60电路图
图片尺寸716x600
sic9556a driver. datasheet pdf. equivalent
图片尺寸1240x1754
如图所示为宽量程数字式电容测量电路.
图片尺寸1634x1771
文档下载 所有分类 工程科技 电子/电路 > itr8307应用图itr8307与lm
图片尺寸622x498
数字化智能电机驱动器的驱动方法_功率_电路_电流
图片尺寸840x332
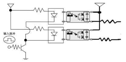
sicmosfet替代simosfet自举电路是否适用
图片尺寸540x515
蓝牙模块的电路原理图
图片尺寸759x509
数字化智能电机驱动器的驱动方法_功率_电路_电流
图片尺寸511x441
icl7135ad转换器应用电路图
图片尺寸1099x950
单片机电子秤电路图大全(六款电路图) - 全文 - 应用电子电路 - 电子
图片尺寸640x400
风扇电路.jpg
图片尺寸481x390
光耦817制作12v闪灯电路图_不同结构的光耦,有哪些应用电路呢?
图片尺寸450x270
sic mosfet模块串扰应用对策 - 模拟技术 - 电子发烧友网
图片尺寸342x169
4n25的应用电路
图片尺寸729x399
芯塔电子1700v 5Ω sic mosfet产品典型应用电路芯塔电子1700v/5Ω
图片尺寸416x205