sim卡座原理图

sim卡电路原理图
图片尺寸953x441
sim卡座电路.jpg
图片尺寸1003x710
苹果6代sim卡座电路.jpg
图片尺寸2000x1325
sim卡推荐电路
图片尺寸699x1089
sim卡接口电路的原理图
图片尺寸556x283
sim卡卡座电路设计其中,det脚并不是sim卡的引脚信号.
图片尺寸554x303
发帖寻组团-3820开发内置3g和sim卡座-2卡槽资料,定义等(5-10更新)
图片尺寸1022x586
为搭配lte模块使用,myb-y6ulx搭载了一个侧插型sim卡座,原理图如下
图片尺寸867x366
sim 卡接口原理图参考设计
图片尺寸1188x538
适用适用于小米11尾插小板充电送话sim卡座卡槽读卡全新快充主板排线
图片尺寸990x1370
sim卡原理
图片尺寸1440x837
三星g7106sim卡电路维修
图片尺寸974x617
sim卡热插拔检测原理
图片尺寸1186x674
sd卡与sd卡座电路
图片尺寸1150x815
sim卡座gprs无线通信tcp/i|2015-08-06基于sim卡座的gprs无线通信系统
图片尺寸672x368
nano sim卡座 push&push 自弹 超薄 1.35h
图片尺寸1920x1357
雷盛羽随身wifi焊接sim卡座改用手机卡
图片尺寸600x439
自弹uim卡座8 2带检测脚复位式sim卡座sim-118
图片尺寸600x742
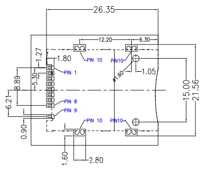
自弹出式卡座
图片尺寸432x353
sim的软硬件接口
图片尺寸414x286