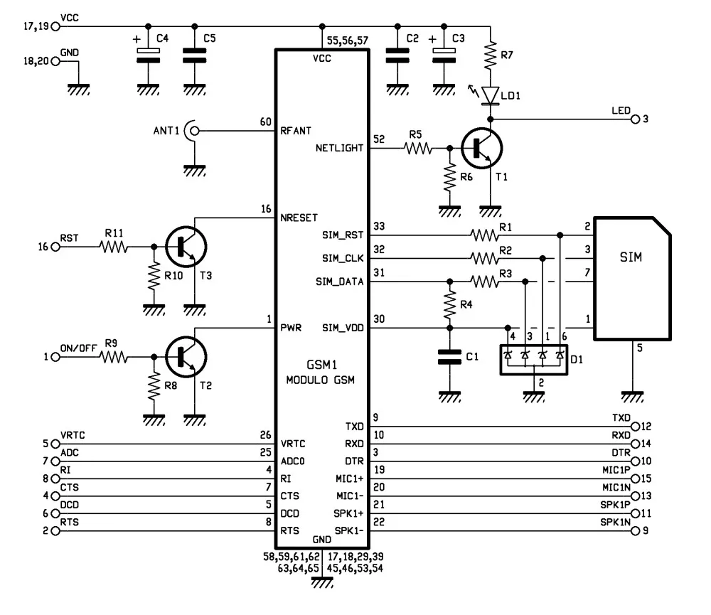
sim900a模块原理图

gsm模块单元(sim900a)
图片尺寸782x454
sim900a串口不能正常发送接收数据
图片尺寸1217x813
gprs模块,sim900a原理图
图片尺寸1188x918
关于sim900a模块的几个问题.
图片尺寸405x187
sim900a模块原理图截图:sim900a模块资料如截图
图片尺寸852x510
atk-sim900a-v1.5_sch
图片尺寸1210x799
proteus86进行仿真sim800a可以替代sim900d吗
图片尺寸1053x609
基于stm32和sim900a的监测系统设计(上位机基于labview开发,数据库
图片尺寸880x484
sim900a参考原理图
图片尺寸1188x918
sim900a模块简介sim900a原理图
图片尺寸504x424
基于sim900a的电池自动满电提醒及实时查询电量装置 附单片机源码与
图片尺寸1260x838
基于stm32和sim900a的无线通信模块设计
图片尺寸555x493
如图,sim900a的vdd_ext引脚有何作用?恒为2.8v吗?
图片尺寸439x198
oem/odm sim 900a 模块无线数据传输模块 gsm 模块 sim900a
图片尺寸1000x865
sim900a模块简介sim900a原理图
图片尺寸634x442
基于stm32和sim900a的无线通信模块设计
图片尺寸552x272
基于stm32和sim900a的无线通信模块设计
图片尺寸500x320![基于sim900a和lpc2378无线数据传输系统设计[图]](https://i.ecywang.com/upload/1/img0.baidu.com/it/u=2120433476,1187316055&fm=253&fmt=auto&app=138&f=JPEG?w=600&h=261)
基于sim900a和lpc2378无线数据传输系统设计[图]
图片尺寸600x261
系统的软件控制流程为:sim900a无线通讯模块接收到外来短信或cprs指令
图片尺寸400x371
然后通过串口1最终传到sim900a模块中,从而实现数据的无线传输
图片尺寸700x416