sl1799d应用电路图

5100v电单车摩托车汽车led车灯专用恒流驱动icsl9003
图片尺寸1043x588
熊猫牌sl861型自动选曲双卡立体声收录机电路原理图
图片尺寸4221x2279
5w led驱动电源电路图-文章-技术应用-电源 - 畅学电子网
图片尺寸933x469
l6562d引脚功能及应用电路
图片尺寸855x569
基于nfc的无线通信系统电路设计 - 应用电子电路 - 电子发烧友网
图片尺寸700x571
基于buck电路供电的led发光二极管驱动电路设计
图片尺寸522x369
1,lnk364pn应用电路2,fsd200,viper12应用电路的互换对比3,viper12
图片尺寸594x612
sl3043降压恒压10a大电流宽电压芯片 80v转5v转12v_保护_输出_应用
图片尺寸971x652
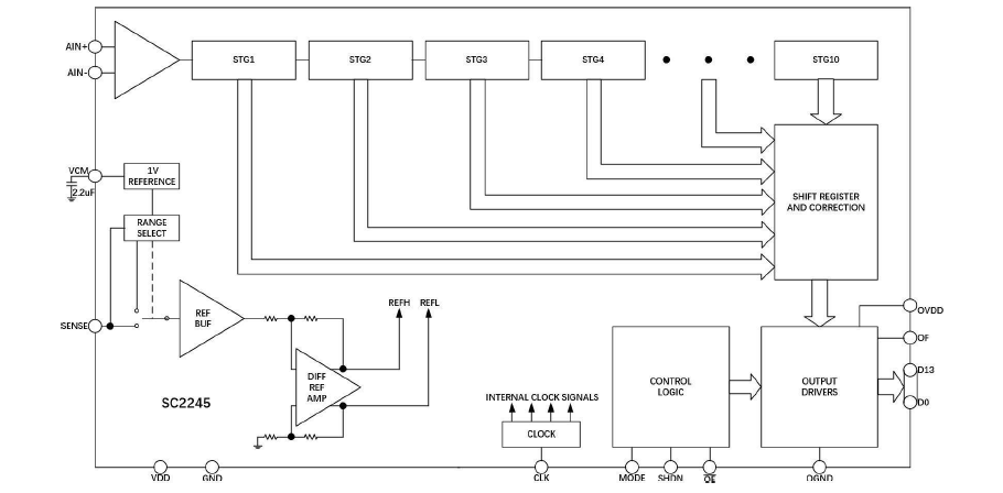
国芯思辰| 模数转换器sc2245在红外探测器中的应用,兼容ltc2245_电路
图片尺寸910x448
基于cpld的led显示屏控制系统的设计-设计应用-维库电子市场网
图片尺寸724x554
led吸顶灯及其驱动电源解读-aet-电子技术应用
图片尺寸524x305
plc在电梯位移控制中的应用
图片尺寸486x330
典型应用电路图●led指示灯●led矿灯●led台灯●led手电筒●led车灯
图片尺寸659x444
小型耳机放大电路设计-aet-电子技术应用
图片尺寸516x470
语音电路报读电路在火控系统中的应用
图片尺寸1201x907
基础知识:备自投中利用所用变代替线路压变的应用
图片尺寸718x548
7a 25w功率适用芯片 sl9056c sl8100 sl2516d sl8443b sl8311adc48v
图片尺寸532x368
逻辑非门(not gate)电路,作用及其应用特点
图片尺寸421x276
sl4057双灯指示灯充电管理芯片
图片尺寸860x649
智能太阳能路灯控制系统电路原理图
图片尺寸1000x479