sla12vdcsla继电器原理

继电器原理图
图片尺寸720x418
继电器原理图
图片尺寸1131x784
12v继电器工作原理
图片尺寸886x796
一种电磁继电器电路制造技术
图片尺寸1000x919
请教磁保持继电器的问题
图片尺寸693x492
继电器电路的原理 继电器电路图怎么看
图片尺寸600x421
中间继电器原理图
图片尺寸554x354
继电器电路
图片尺寸778x383
一,中间继电器工作原理 电磁式中间继电器原理图
图片尺寸1080x810
51单片机~继电器,续流二极管相关原理-电子工程世界
图片尺寸878x588
继电器电路图
图片尺寸3567x2355
24v继电器工作原理
图片尺寸896x588
电磁继电器电路图
图片尺寸807x661
对于输出电路继电器设计的参考96
图片尺寸1080x651
电子式过电流继电器
图片尺寸921x568
继电器的工作原理及驱动电路解析
图片尺寸787x465
继电器控制电路图解析
图片尺寸557x340
电机节电器 - 电子发烧友网
图片尺寸698x465
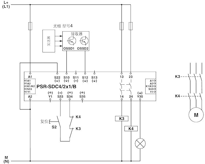
安全继电器连接原理
图片尺寸700x560
单片机中继电器的简单问题
图片尺寸598x425