sr锁存器波形图

sr锁存器
图片尺寸462x503
锁存器与触发器
图片尺寸988x667
画出由与非门组成的sr锁存器输出端 q , 的电压波形, r 输入端 s
图片尺寸1080x810
第4节 锁存器,寄存器,移位寄存器
图片尺寸189x250
数值逻辑之锁存器
图片尺寸646x568
sr锁存器 数电_时序逻辑电路 || 锁存器 || rs锁存器 || d锁存器
图片尺寸544x497
画出图p51由与非门组成的sr锁存器输出端qq的电压波形输入端的电压
图片尺寸422x208
两个二输入与非门构成的基本rs锁存器的输入信号的波形如下,画出输出q
图片尺寸890x464
硬件开发者之路之——基于锁相放大器的小信号检测技术分析
图片尺寸710x358
原创de2实验练习解答lab3锁存器触发器和寄存器digitallogicde2
图片尺寸644x199
【原创】de2 实验练习解答—lab 3:锁存器,触发器和寄存器(digital
图片尺寸640x245
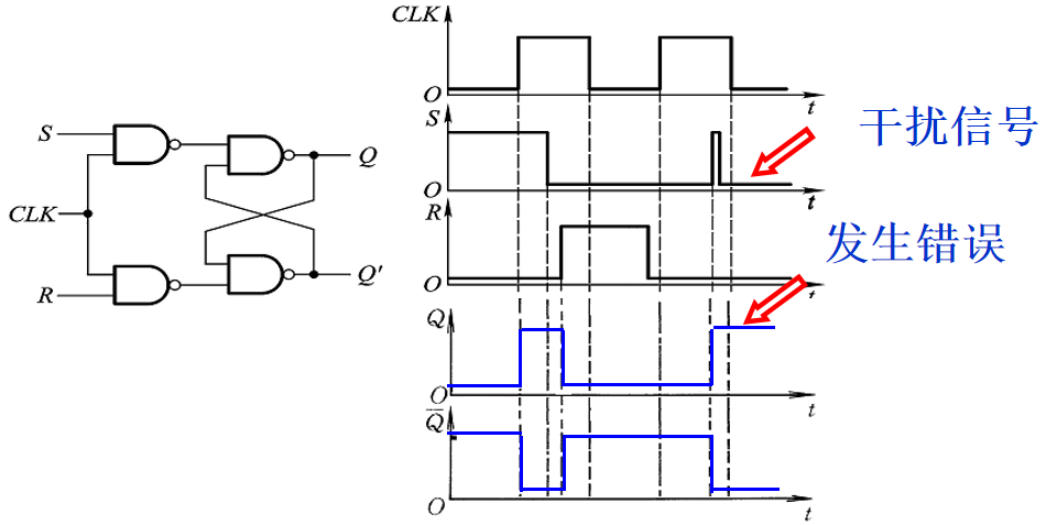
sr锁存器
图片尺寸960x477
若主从结构sr触发器各输入端的电压波形如图p5.
图片尺寸640x853
时序逻辑电路 || 锁存器 || rs锁存器 || d锁存器 || 门控位 || 数电
图片尺寸721x373
sr锁存器
图片尺寸434x244
d锁存器与sr锁存器的区别
图片尺寸472x220![[解] 集成施密特触发器输出uo的波形如图解6.1所示.](https://i.ecywang.com/upload/1/img0.baidu.com/it/u=2219294721,3485742196&fm=253&fmt=auto&app=138&f=JPG?w=1342&h=500)
[解] 集成施密特触发器输出uo的波形如图解6.1所示.
图片尺寸1710x637
1中q,q的波形.
图片尺寸1229x1002
d触发器 锁存器_边沿式d触发器q的波形「建议收藏」 - 思创斯聊编程
图片尺寸640x369
第19篇:基本rs锁存器
图片尺寸1209x465