stc8f1k08引脚功能图

打破stc8f1k08s2缺芯困境来看看rs02a1替代方案
图片尺寸596x203
请教stc8f2k16s2tssop20的引脚排列
图片尺寸787x313
stc8h1k08管脚定义(1)文件ad est2020stcteststc8g1k08test(2)
图片尺寸1080x439
基于stc8g1k08的实验电路板_stc8g1k08引脚图-csdn博客
图片尺寸1464x688
cd4066中文资料_cd4066功能引脚图_cd4066应用电路
图片尺寸524x453
74ls283引脚图及相关功能介绍!
图片尺寸640x340
355_281
图片尺寸355x281
用8脚的stc单片机控制麦克纳姆轮遥控小车
图片尺寸769x478
单片机adc0808,dac0832信号发生器_adc0808引脚图及功能-csdn博客
图片尺寸608x605
stc8f2k08s2单片机可否有外部晶体振荡
图片尺寸815x765
stc8系列学习笔记一数码管的驱动设计
图片尺寸1343x871
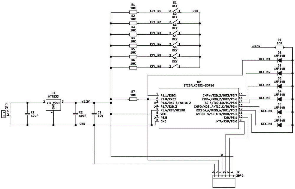
4g无线通讯模块,按键识别电路和电源单元,所述单片机为stc8f1k0852sop
图片尺寸1000x641
at89c51单片机各引脚功能
图片尺寸484x290
齐全光耦 功能引脚图
图片尺寸651x519
tl494cn引脚功能图(tl494cn引脚图各引脚电压及功能)_电脑装配网
图片尺寸386x282
max232引脚说明
图片尺寸595x714
1.74ls10引脚图及功能
图片尺寸607x500
51单片机各引脚功能详解
图片尺寸476x800
mc34063引脚图及功能
图片尺寸371x273
基于stc8g1k08的实验电路板_stc8g1k08引脚图-csdn博客
图片尺寸1356x664