stm32f103vet6原理图

stm32f103vet6最小系统-原理图
图片尺寸956x672
stm32f103vet6最小系统板原理图pdf
图片尺寸920x651
stm32f103vet6最小系统原理图
图片尺寸1129x796
在编辑器中打开sheet_2在编辑器中打开sheet_1(1/2)原理图设计图还没
图片尺寸1169x827
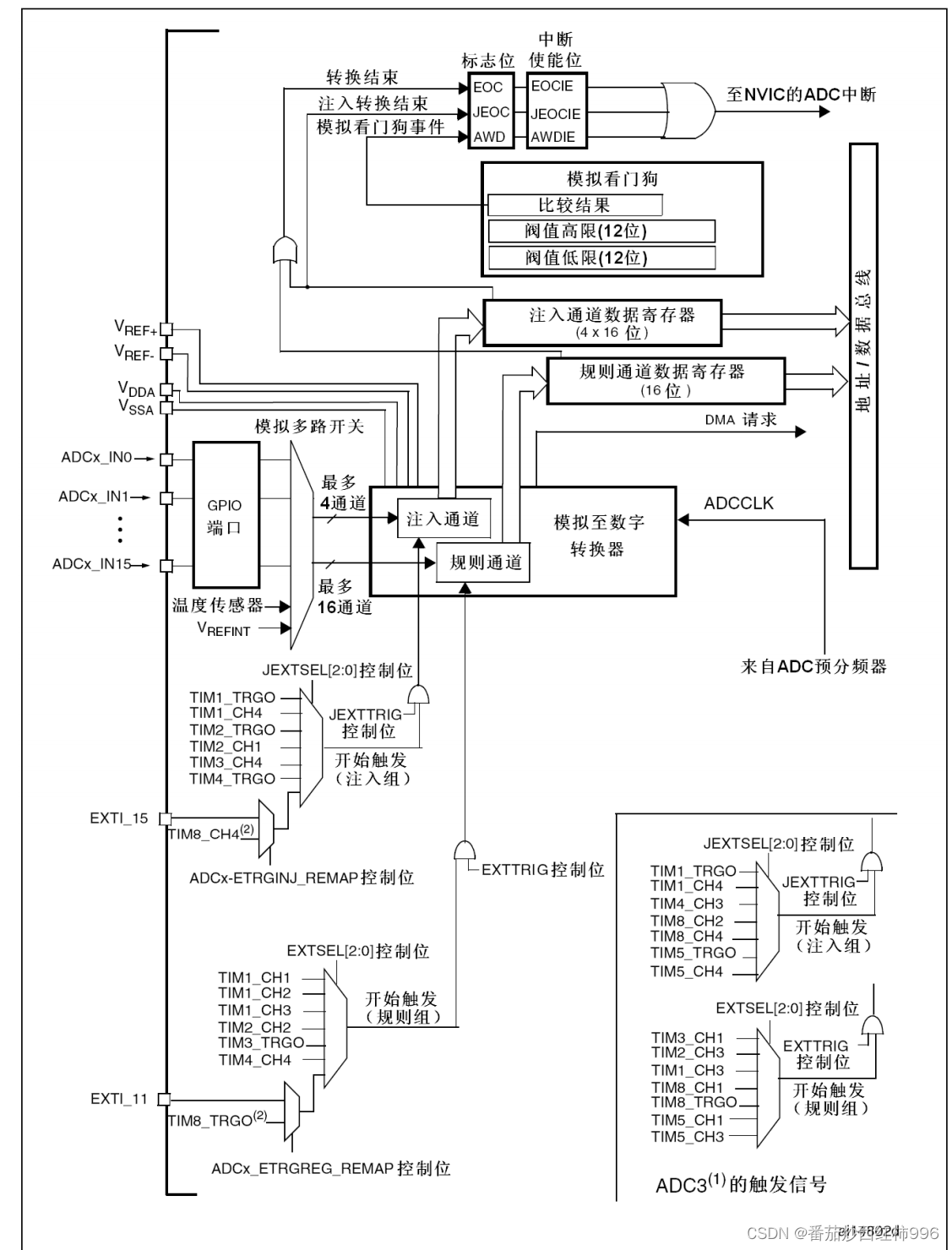
stm32f103vet6模数转换器adc
图片尺寸1127x1480
stm32f103vet6的pcb源文件和电路原理图分享ad格式
图片尺寸793x558
stm32f103vet6_nano开发板--原理图
图片尺寸959x678
stm32f103zet6核心板电路图彩色
图片尺寸920x648
用f103设计一款智能垃圾桶电路方案(原理图 源码 教程)文章出处
图片尺寸696x646
stm32f103c8t6最小系统板内涵原理框图原理图库封装库调试程序
图片尺寸1135x696
原理图.png
图片尺寸1290x833
原理图
图片尺寸1163x410
stm32f103rct6最小系统板原理图pcb源文件
图片尺寸830x553
stm32f103rct6的最小系统原理图免费下载
图片尺寸1095x691
现代电子技术期末原理图.png
图片尺寸1606x886
stm32f103rct6miniv20核心板原理图等资料
图片尺寸1660x861
stm32f103c8t6核心板原理图
图片尺寸1728x1080
stm32f103rct6最小系统的电路原理图免费下载
图片尺寸912x526
主空部分原理图(参考):打样回来的pcb如下:购置好材料(bom清单或pcb
图片尺寸1013x511
可前往《stm32f103xcde_数据手册-英文》的第三章
图片尺寸1147x858