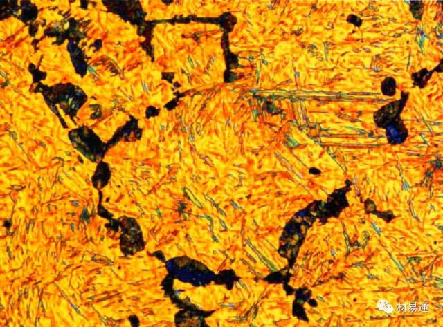
t10钢金相组织图

一组图看懂金相组织
图片尺寸600x960
赛场上选手进行样品制备(上),组织观察(下)本次大赛采用45钢和t10钢
图片尺寸1269x793
t10钢退火金相组织
图片尺寸500x220
金相试样制备及显微组织观察ppt
图片尺寸1080x810
t12钢退火金相组织
图片尺寸498x190
图 改进前和改进后金相组织
图片尺寸2520x1338
最全碳钢金相微观组织解析
图片尺寸523x391
一组图看懂金相组织,赶紧收藏!
图片尺寸640x480
t10(表面局部激光淬火)金相图
图片尺寸266x356
α γ α 40钢退火前后金相组织 钢退火前后金相组织
图片尺寸1080x810
上海耐博 金相挂图,钢的显微组织评定挂图
图片尺寸481x612
钢中典型金相组织
图片尺寸768x576
不锈钢和耐热钢的金相组织及检验ppt
图片尺寸1080x810
金相组织知识-钢中常见组织
图片尺寸533x427
ppt 上一页第11页 下一页 你可能喜欢 金相检验培训 铝合金金相组织
图片尺寸1080x810
《金属材料各种组织金相图片》
图片尺寸1080x810
t10 放大倍数 1000x 处理工艺 淬油 浸蚀方法 4%硝酸酒精溶液 组织
图片尺寸640x473
金相20钢平衡组织显微观察
图片尺寸1278x718
课堂金相典型特征样品图谱一铁碳平衡组织
图片尺寸512x384
t10 放大倍数 1000x 处理工艺 淬水 浸蚀方法 4%硝酸酒精溶液 组织
图片尺寸640x468