tc4421驱动电路图

谐振式无线充电系统中的驱动电路
图片尺寸1726x1351
驱动原理图赏析
图片尺寸1654x946
电机驱动电路设计
图片尺寸640x542
用tc4420做栅极驱动芯片(tc4429是输出和tc4420反相),电路图:具体看看
图片尺寸744x430
求tc442工作原理内部电路图分析下
图片尺寸517x331
求解大神分析一下这个驱动电路的原理,在线等.
图片尺寸773x395
请问哪位用过microchip公司的mos驱动芯片tc4426么?
图片尺寸412x556
正弦逆变电路及其驱动电路原理图
图片尺寸1686x950
(2)驱动放大电路 igbt的驱动电路采用脉冲变压器和tc4422组成,其
图片尺寸651x372
国芯思辰| aip31063l—80通道点阵lcd列驱动电路
图片尺寸616x591
请教下各位前辈关于mos管驱动电机的电路
图片尺寸684x762
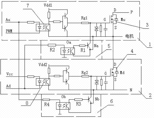
至少包括直流无刷电机驱动器的上半桥驱动电路,下半桥驱动电路,其特征
图片尺寸543x414
为什么高压大功率应用不宜使用自举驱动?_电路_电容_电压
图片尺寸610x622
低功率的led灯泡的驱动电路图
图片尺寸606x586
用于驱动发光二极管的驱动电路图
图片尺寸558x510
15kw伺服驱动
图片尺寸1180x844
实例讲解电机驱动电路应该如何设计
图片尺寸640x328
【tc4421a/tc4422a9a高速mosfet驱动器特点61高峰值输出电流: 10a
图片尺寸849x1099
文档下载 所有分类 工程科技 电子/电路 > 电动自行车控制系统驱动板
图片尺寸1246x823
tc4421 内部结构图
图片尺寸624x346