tcl冰箱使用说明书
![lg bcd-205dgq电冰箱使用说明书:[2]](https://i.ecywang.com/upload/1/img1.baidu.com/it/u=2685880730,3125255151&fm=253&fmt=auto&app=138&f=JPEG?w=346&h=500)
lg bcd-205dgq电冰箱使用说明书:[2]
图片尺寸1655x2392
tcl电冰箱bcd-528wbex1使用说明书.pdf 15页
图片尺寸792x1136![lg bcd-303kgnc电冰箱使用说明书:[3]](https://i.ecywang.com/upload/1/img2.baidu.com/it/u=3669668231,3144405949&fm=253&fmt=auto&app=138&f=JPEG?w=500&h=723)
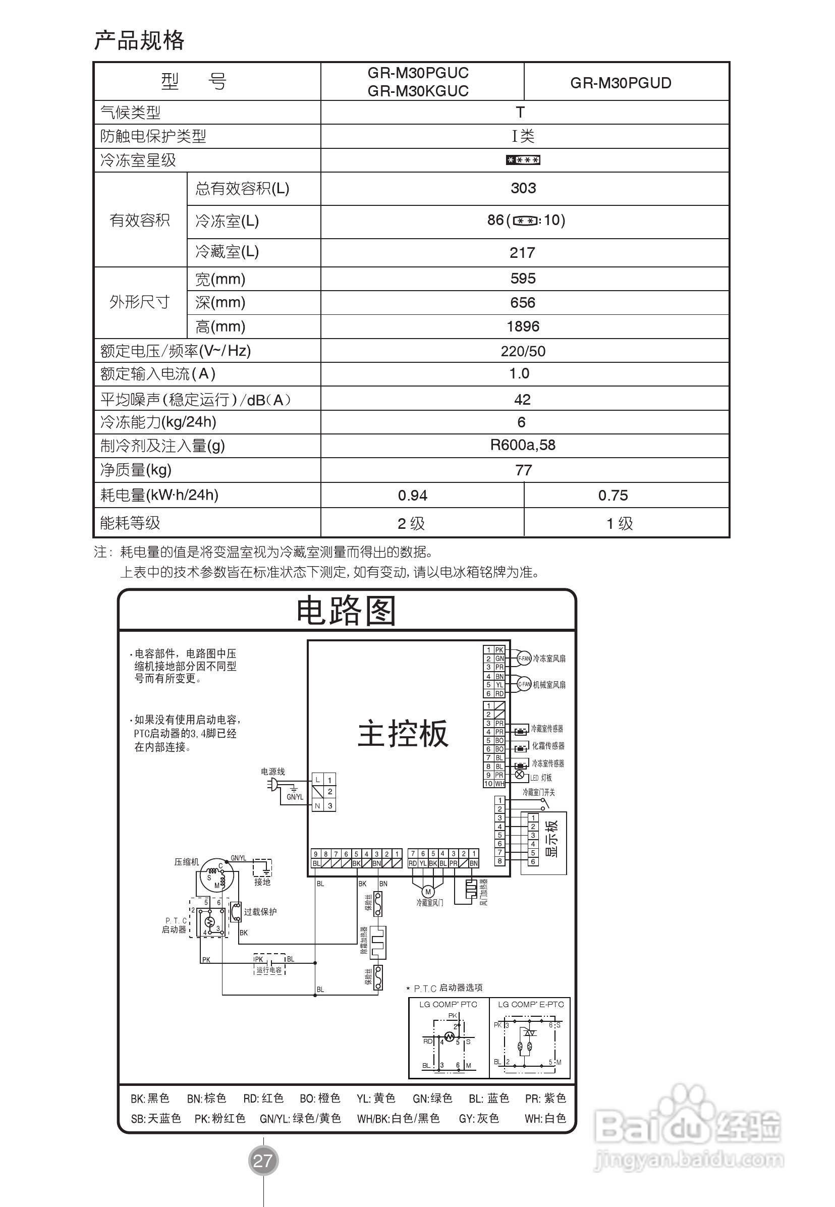
lg bcd-303kgnc电冰箱使用说明书:[3]
图片尺寸1655x2392
tcl罗格朗 冰箱 双门电冰箱 bcd-490wbepfa1 使用说明
图片尺寸300x426
tcl双门直冷抽屉式电冰箱使用说明书
图片尺寸1080x1440
tcl bcd-228tewf1 228升家用风冷三门电脑冰箱
图片尺寸750x1439
tcl 91升 小型单门电冰箱(白色)bc-91ra-海衡直采商城
图片尺寸790x940
tcl电冰箱bcd-528wbex1使用说明书.pdf 15页
图片尺寸792x1136
tcl冰箱bcd-216tf1
图片尺寸505x460
tcl冰箱 bcd-305wef1 305升大双门风冷无霜冰箱 风冷无霜 -1度保鲜
图片尺寸750x665
tcl罗格朗 滚筒洗衣机 滚筒洗衣机 tg-v70 使用说明
图片尺寸300x426
tcl滚筒洗衣机使用说明书(xqg65-q100;xqg65-q100h;xqg80-q300).pdf
图片尺寸2340x1654
tcl冰箱 r316v7-d晶岩灰 316升 一体双变频 风冷无霜 法式多门电冰箱
图片尺寸800x800
196升家用三门风冷无霜tcl冰箱
图片尺寸750x1028
0cm嵌入式设计,tcl超薄零嵌冰箱t9全新诠释一体式家居美学
图片尺寸4579x2289
tcl滚筒洗衣机使用说明书(xqg65-q100;xqg65-q100h;xqg80-q300).pdf
图片尺寸2340x1654
tcl417升双门冰箱
图片尺寸1080x1439
tcl518l风冷对开双门冰箱流光金bcd518wef1台
图片尺寸750x1258
一千元左右的风冷式冰箱哪款好用?海尔,tcl和创维推荐对比!
图片尺寸640x640
tcl滚筒洗衣机使用说明书(xqg65-q100;xqg65-q100h;xqg80-q300).pdf
图片尺寸2340x1654