tda1514功放参数

功率接续器
图片尺寸527x617
得一块直流伺服恒流式立体声功放印制电路板,它采用tda1514a集成电路
图片尺寸380x398
tdal514a典型应用电路
图片尺寸1645x869
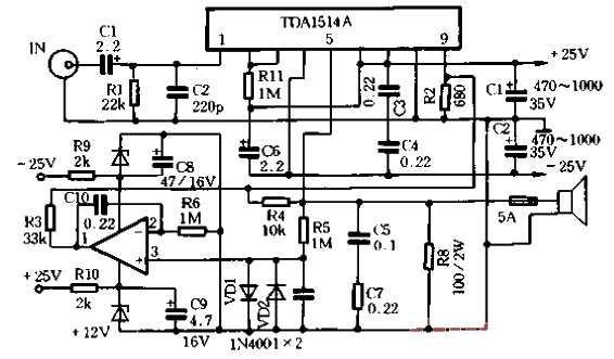
120w高音细腻的功放电路图
图片尺寸524x269
tda1514a高保真功放典型应用电路
图片尺寸650x340
直流伺服恒流功放02
图片尺寸401x269
致敬经典系列之ic功放中的佼佼者tda1514a
图片尺寸800x774
功放tda1514a说明汽车音响功放集成电路代换技巧lm386是一种音频集成
图片尺寸282x407
消费电子 音响技术相信大多数电子爱好者都利用tda2030a,tda1514等
图片尺寸428x507
年休假做做tda1514a功放
图片尺寸800x710
mbl6010前级tda1514a后级合并功放
图片尺寸777x807
tda1514a功放出声了
图片尺寸563x1000
万能板制作电脑小功放之tda1514a
图片尺寸800x600
致敬经典系列之ic功放中的佼佼者tda1514a
图片尺寸800x771
致敬经典系列之-ic功放中的佼佼者tda1514a
图片尺寸694x780
14_电路
图片尺寸558x264
致敬经典系列之-ic功放中的佼佼者tda1514a
图片尺寸692x779
除了大家,颇为熟悉的tda2030之外,还有tda1521,tda1514等,功率输出从
图片尺寸596x355
如何调整tda1514a功放01–电路图–电子工程世界
图片尺寸566x331
mbl6010前级tda1514a后级合并功放
图片尺寸791x1034