tda7264功放btl电路图

btl功率放大电路
图片尺寸1665x1297
2.4 btl音频功率放大电路
图片尺寸1308x659
btl功率放大电路
图片尺寸955x741
常用小电路参考
图片尺寸2255x3545
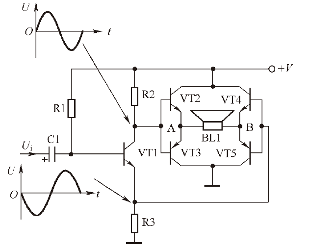
放大器系统电路--btl 功率放大器
图片尺寸630x504
hifidiy论坛-实验tda7264功放,洞洞板,裸奔 - powered by discuz!
图片尺寸361x372
实用电路,btl功率放大器电路图介绍
图片尺寸530x264
采用lf4100/4101/4102构成的btl功率放大电路如图所示.
图片尺寸873x838
btl功放电路讲解.doc
图片尺寸792x1120
首页 pdf资料 pdf资料第285页 tda7264 pdf下载及第
图片尺寸968x1359
集成音频功放ic应用于btl方法探讨与实验
图片尺寸446x401
请教各位有没有100w的好一点的功放电路,有的话发一个三.
图片尺寸903x929
52种tda音频功放电路大全!
图片尺寸1905x1280
基于tda2030/tda2030a组成的btl中低音功放电路
图片尺寸624x756
求大神帮忙看看这个btl功放电路有没有问题
图片尺寸846x1280
纯后级全平衡btl功放的制作
图片尺寸640x492
输出器形式的btl功放更简单再发一个差动放大器倒相的简易btl功放电路
图片尺寸415x353
tda7269a可以接成btl电路吗?
图片尺寸600x433
矽源特tda7266sa是一款ab类双桥式音频功放 ic,输入电压(3.
图片尺寸600x450
52种tda音频功放电路大全!
图片尺寸1859x1280