tda7370功放参数
![佳能lv-7370投影机使用说明书:[2]](https://i.ecywang.com/upload/1/img2.baidu.com/it/u=1447646147,2735147698&fm=253&fmt=auto&app=138&f=JPEG?w=500&h=706)
佳能lv-7370投影机使用说明书:[2]
图片尺寸906x1280
tda2004/2005r/2009a/7350/7370/7376/7377/7378/7379音频放大器
图片尺寸800x535
用tda7377做一款立体声功放,diy功放了解一下?
图片尺寸802x470
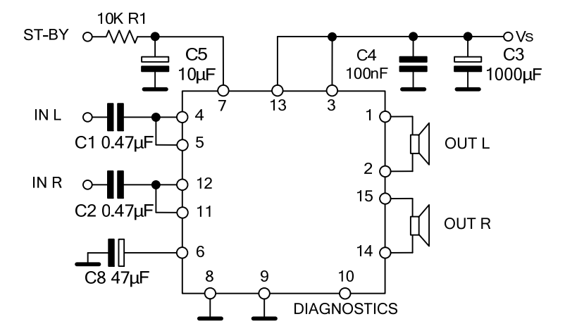
关于tda 7370
图片尺寸627x358
电路
图片尺寸620x382
tda7370电脑功放电路图tda73|2017-08-25用tda7370作电脑功放电路图
图片尺寸640x480
【北京】马兰士pm11-s1 立体声合并机功放
图片尺寸1280x960
图4 功放及音量调节电路
图片尺寸543x221
用tda7370做电脑功放
图片尺寸627x358
> tda7370 (意法半导体) quad power amplifier for car radio pdf
图片尺寸816x1056
tda7379 7379 zip-15 进口全新原装 音频功放ic
图片尺寸298x300
tda2004/2005r/2009a/7350/7370/7376/7377/7378/7379音频放大器
图片尺寸520x501
> tda7370 (意法半导体) quad power amplifier for car radio pdf
图片尺寸816x1056
mackieppm10088通道现场/功放调音台
图片尺寸550x403
tda7370 pdf下载: 内容描述: 四路功放汽车收音机 [quad power
图片尺寸850x1100
5寸双功放sam智能有源监听音箱 (只)
图片尺寸500x500
tda7376b功放
图片尺寸300x300
5寸双功放sam智能有源监听音箱 (只)
图片尺寸1080x1620
缝纫机时光巴士缝纫机mk7370家电时光巴士缝纫机相关热门标签亲子热门
图片尺寸502x460