tda7851l引脚电路图

规格参数,特点,引脚图及功能,内部结构,工作原理及应用电路图 - 华强
图片尺寸366x200
sg3525引脚图及sg3525内部结构-保护电路图-电子产品世界
图片尺寸418x602
【l6562d中文资料】_l6562dpdf_l6562d应用电路_l6562d引脚封装图
图片尺寸763x392
esp32-cam ai thinker 引脚排列:gpio 用法说明
图片尺寸1222x810
ltc7851/-1 用于单输出,多相应用时,必须通过将其 fb 引脚连至 vcc
图片尺寸700x801
7915引脚图和参数 7915稳压电路图-图片大观-奇异网
图片尺寸1006x1469
nodemcu引脚图
图片尺寸501x538
tda7388 tda7386 tda7850 tda7851lf汽车功放块芯片zip25全新进口
图片尺寸800x811
tda7851功放块各脚功能
图片尺寸846x642
tda2030引脚配置_规格参数_电路原理图-ic先生
图片尺寸340x369
ds18b20温度传感器引脚排列原理电路图
图片尺寸397x329
二,bd139 引脚参数图
图片尺寸814x728
拆解2011款丰田花冠cd机,求tda7851及tb2930资料.
图片尺寸400x254
基于stc8g8k64u三通道高速adc采集板_stc8h8k64u引脚图-csdn博客
图片尺寸1456x777
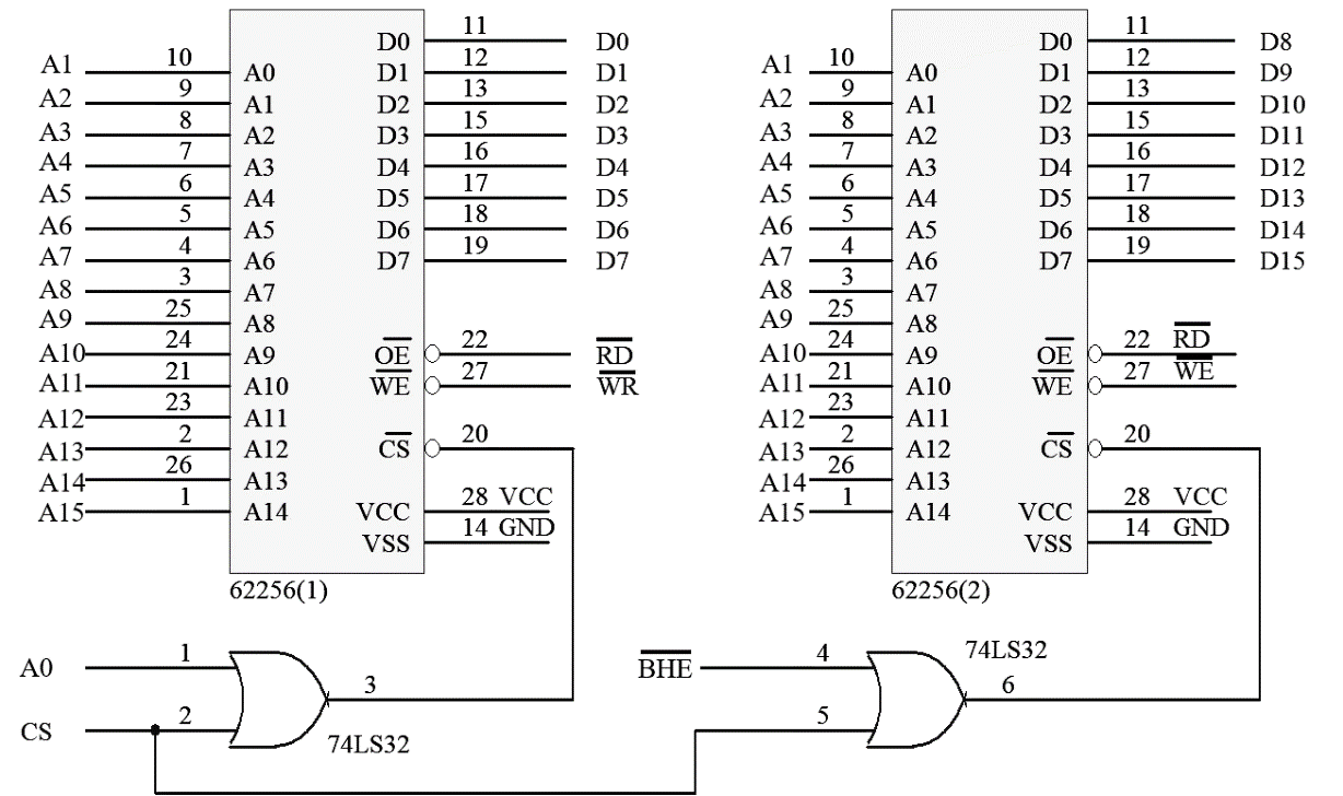
西电网信院微机原理实验(五)_62256芯片引脚图及功能-csdn博客
图片尺寸1228x728
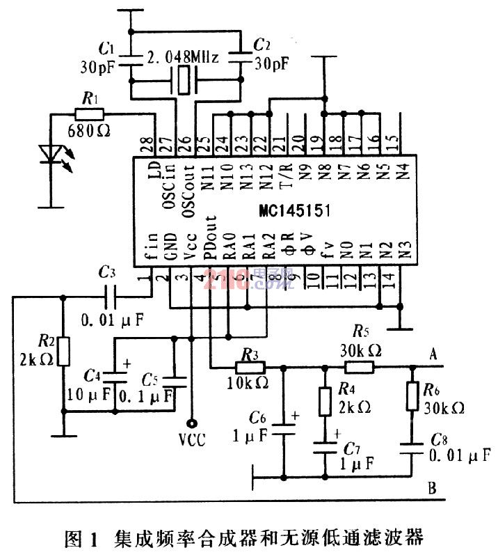
基于pll和tda7010t的无线收发系统设计
图片尺寸716x800
bts436l2g_引脚图_电路图(2/10)_infineon - 万联芯城
图片尺寸892x1263
tda7297引脚资料tda7297功放电路图
图片尺寸440x351
xl2009e1_引脚图_电路图(2/9) - 万联芯城
图片尺寸892x1263
适用于13-17款本田凌派手动挡安卓导航仪gps倒车影像一体机-阿里巴巴
图片尺寸800x800