thk导轨滑块型号

现货thk轻型低组装径向导轨滑块ssr25xw1uu 160l ssr30xw1ss 220l
图片尺寸790x5548
thk导轨滑块直线导轨nr25rx nr25lrx nr30rx nr30lrx 全新原装
图片尺寸1353x1920
thk高温用直线导轨滑块hsr15m1a hsr20m1a hsr20m1la线轨thk
图片尺寸650x704
日本srg35r,45r,55r滑块轴承,thk滚柱滑块 天津库存销售
图片尺寸1350x920
thk确实挺贵91 #导轨 #丝杆 #滑块 - 抖音
图片尺寸1080x1590
thk滑块hsr20rhsr20lr
图片尺寸555x573
滑块thk微型直线导轨滑块srs5wgm srs5wn srs5wgn轴承
图片尺寸1261x623
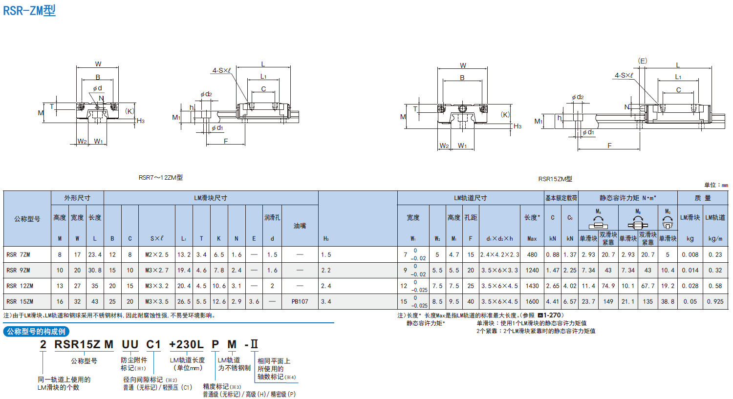
thk导轨rsr12vm rsr12n rsr15vm rsr15n rsr20vm rsr20n滑块 型号齐全
图片尺寸760x760
thk直线导轨 thk导轨滑块epf7m 9m 12m 15m srs15n 9xm进口轴承
图片尺寸596x800
thk滑块 thk直线导轨ssr30xw.直线滑块导轨 天津现货
图片尺寸1500x817
台湾上银hg四方型系列可定制规格多样滑块线性导轨滑轨滑台
图片尺寸790x1083
thk导轨大型机械用shw50ca线性滑块山东销售服务中心
图片尺寸1327x838
thk静音直线导轨ssr系列1520253035
图片尺寸790x798
全金属thk hsr30y 滑块加导轨.奥氏体钢材thk h - 抖音
图片尺寸1080x1920
thk微小型滑块导轨srs5m型 srs5wm型 srs7m型 srs7wm型 高精度低摩擦
图片尺寸634x570
滚珠丝杠thk直线滑块线轨thk线性滑轨srs9m srs12m
图片尺寸1254x590
thk静音型导轨滑块shs35c2ss 1680l现货,有库存
图片尺寸548x401
型号 hgh 种类 滑动导轨 滑行轨迹 直线导轨 滑轨宽度 15-45 滑块个数
图片尺寸846x860
台湾直线导轨滑块hgw hgh15/20/25/30/35/45ca滑轨轴承滑台线轨
图片尺寸790x1480
thk 2045t,thk 2060t,thk 2075t,thk交叉滚子导轨由于产品型号规格
图片尺寸1027x650