thk直线导轨型号

直线导轨线轨thk直线滑块滑轨hsr20lrm hsr25am hsr30bm
图片尺寸650x704
hsr30r hsr30 thk直线导轨 thk滑块 日本原装
图片尺寸1496x957
thk导轨滑块直线导轨nr25rx nr25lrx nr30rx nr30lrx 全新原装
图片尺寸1353x1920
产品中心 直线导轨 thk导轨 vr-交叉滚柱导轨 thk交叉滚柱导轨vr12
图片尺寸1166x1654
thk直线导轨:ssr15xw,ssr20xw,ssr25xw,ssr30xw,ssr35xw
图片尺寸790x5548
thk直线导轨 snr55c snr55lc hsr65 thk滑块 数控机床导轨 轴承钢
图片尺寸757x1022
hsr12rm 日本thk直线导轨 thk原装进口
图片尺寸1167x1654
thk直线导轨gsr ssr hsr shs 15 20 25 30 35 45c v lr lc r a la
图片尺寸750x750
thk直线导轨srs12wm
图片尺寸699x838
首页 供应网 青岛市供应网 thk导轨hsr20r,hsr30r thk直线导轨的选型
图片尺寸555x573
thk导轨滑块ssr15xvssr20xvssr25xv thk直线导轨ssr15xvmssr20xvm
图片尺寸1353x1920
thk静音直线导轨ssr系列1520253035
图片尺寸794x703
辽宁供应日本thk滑块hsr20r thk直线导轨
图片尺寸637x679
thk直线导轨 thk导轨滑块epf7m 9m 12m 15m srs15n 9xm进口轴承
图片尺寸596x800
直线导轨shw14crm线性导轨日本thk精密微型不锈钢材质日本工厂产
图片尺寸1327x838
rsr 15wvm thk 直线导轨 日本原装进口 现货供应 线性滑块rsr15
图片尺寸1505x882
hiwin直线导轨-thk导轨滑块-hgh30ca
图片尺寸1240x1754
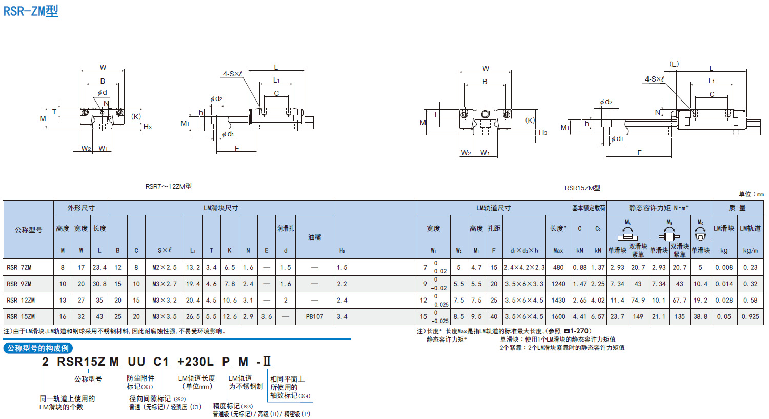
供应日本thk微型滑块 rsr9zm 日本工厂生产直线导轨 大量现货供应
图片尺寸1500x817
thk srs9wm srs9wn thk直线导轨现货
图片尺寸625x472
shsvlv直线导轨日本thk滚动滑轨代理经销
图片尺寸1350x920