thx1013h电源芯片电路图

所有分类 工程科技 信息与通信 双极性正负12v输出稳压电源 这个电路
图片尺寸773x572
几种常用的非隔离acdc电源芯片降压电路新手必读
图片尺寸960x594
该型机的开关电源主要由芯片str -a6051 m(1c1)及整流滤波,稳压控制
图片尺寸927x615
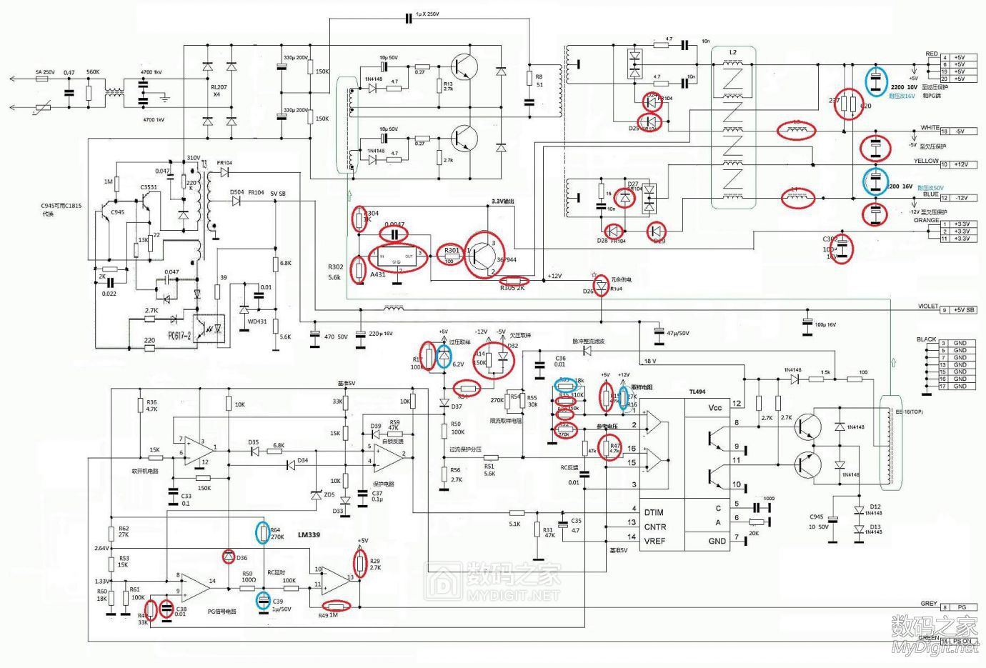
如图所示的电源电路是否合理,求大神指导点拨,小弟不胜感激!
图片尺寸1014x398
电磁炉ap8012电源芯片是否可以viper12a代换
图片尺寸796x395
电瓶车24-72v蓄电池组降压5v和12v电源控制器芯片sl3036h
图片尺寸1058x685
轻小型无人机电源管理电路,包括:mcu;降压开关电路,其包括降压芯片Ⅰ
图片尺寸1846x1822
lm324adr通用运算放大器芯片中文资料pdf数据手册产品手册引脚图参数
图片尺寸342x236
thx203h应用电源电路图
图片尺寸489x826
3v 低功耗4a峰值电流_输出_电压_芯片
图片尺寸955x450
电源开关芯片ap8012
图片尺寸513x446
光子嫩肤仪面罩控制器pcb电路中驱动升压恒流芯片原理介绍
图片尺寸478x221
5-75v led升降压恒流芯片ic,支持12v24v36v48v60v
图片尺寸644x420
乾鸿微ha1001e型高速差分放大器典型应用指南|芯片_新浪新闻
图片尺寸420x376
一文带你了解近期那些自带线移动电源内置的主控芯片
图片尺寸1080x720
经典的长城电源atx300p4pfc改可调在过程中能学习电源技术和分析原理
图片尺寸1380x935
放大器芯片中文资料规格书pdf数据手册引脚图产品概述功能_电源_输出
图片尺寸676x718
放大器芯片中文资料规格书pdf数据手册引脚图芯片概述_电源_电压_补偿
图片尺寸286x152
sm5308同步开关充放电移动电源/充电宝芯片ic
图片尺寸641x593
区别于ad603_vca的双电源供电,ad603_agc采用的是单电源供电,所以芯片
图片尺寸880x817