tlc336参数引脚图

tl062cdr型号正品运算放大器产品参数引脚图功能介绍
图片尺寸599x526
polouta tlc336a tlc336 to-202f 双向可控硅 晶闸管 三极管
图片尺寸800x800
电压基准集成电路tl431引脚图及功能介绍
图片尺寸489x321
全新 tlc336a tlc336 直插to-202 双向可控硅 芯片 可直拍
图片尺寸800x800
tlc555分析及参数设定
图片尺寸1080x810
拍一件发10个 双向可控硅 晶闸管 tlc336a to-202 3a600v
图片尺寸800x800
显示器电源板tl431的参数和图解
图片尺寸553x461
【tl431】产品参数介绍,tl431数据手册,中英文pdf资料下载-资料-电子
图片尺寸462x296
2n3904三极管参数引脚图资料及代换
图片尺寸400x371
tlc336a 双向可控硅to202 全新ic原装 晶闸管 直插2 3a 600v 现货
图片尺寸800x800
双向可控硅及双向二极管的检测方法可控硅管脚引脚定义图可控硅分单向
图片尺寸911x390
lm324adr通用运算放大器芯片中文资料pdf数据手册产品手册引脚图参数
图片尺寸342x236
常用原装正品直插tlc336a双向可控硅3a600v原装进口st牌子晶体管
图片尺寸800x800
tlc549参数与工作原理
图片尺寸638x317
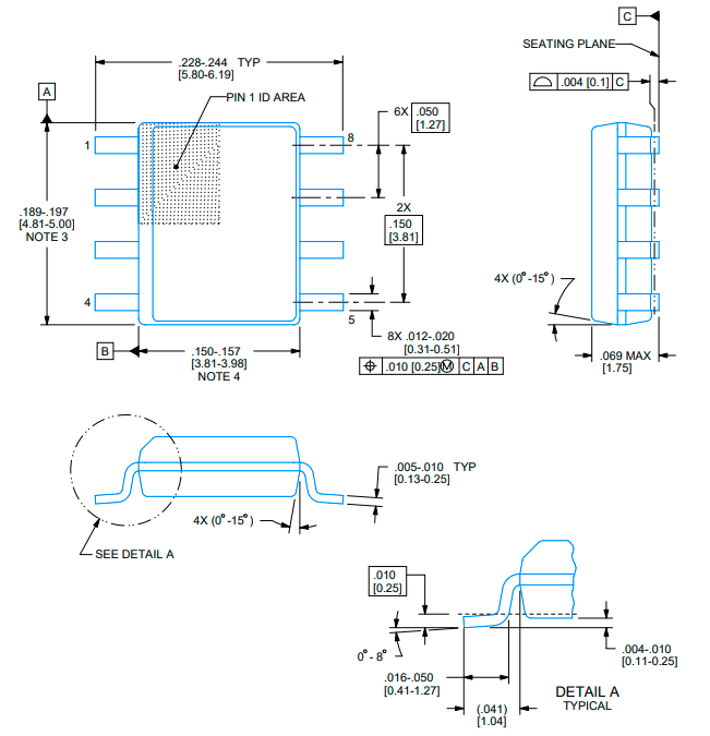
元件封装尺寸图:引脚图:规格书参数:宽电源电压范围:±2.
图片尺寸651x675
否功能类型升降压型商品目录dc-dc电源芯片属性参数值找到类似商品
图片尺寸1240x1754
封装尺寸图:引脚图:规格书参数:如需要采购74hc126d器件,或者查看更
图片尺寸555x382
immx/nopb双通道运算放大器芯片中文资料pdf数据手册引脚图图片参数
图片尺寸281x433
7815引脚图参数,7815和7812引脚图-图片大观-奇异网
图片尺寸400x476
创芯飞gm25q128a的引脚分布图
图片尺寸1000x355