tny265引脚电路图

tny265pn电路图
图片尺寸600x251
tny265 pdf下载及第9页内容在线浏览
图片尺寸1037x1469
【tny276pn pdf数据手册】_中文资料_引脚图及功能_(帕沃英蒂格盛
图片尺寸646x355
tny266p中文资料
图片尺寸952x1232
esp32各型号模组进入下载模式的引脚配置及其自动下载电路
图片尺寸1404x1056
三星手机充电器tny264p电路图
图片尺寸973x643
电路引脚及主要特性ne556 双定时器
图片尺寸1375x1232
lm324n原理电路图及各引脚的作用 一,lm324n原理电路图
图片尺寸600x458
l6562d引脚功能及应用电路
图片尺寸855x569
这款开关电源功能强大,应用广泛,cm6800应用电路图,引脚图详解-教育
图片尺寸580x326
tny266p开关电源芯片应用
图片尺寸769x422
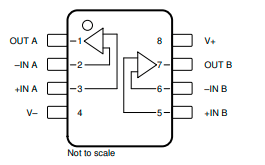
opa1678idr双路音频运算放大器芯片中文资料pdf数据手册引脚图产品
图片尺寸265x165
引脚图与功能
图片尺寸544x440
① tny175简介tny175是小型开关电源厚膜电路,内部电路方框图如图6-5
图片尺寸2869x1833
tny266p开关电源芯片应用
图片尺寸850x362
基于tny264芯片的恒压涓流充电器电路
图片尺寸703x274
4558d电路图及引脚功能介绍
图片尺寸552x220
这个是tny286的设计稳压管反馈电路求解
图片尺寸543x448
tny266p_1 pdf下载及第6页内容在线浏览
图片尺寸966x1390
引脚图:电路原理图:规格书参数:如需要viper12a器件,或者查看更详细的
图片尺寸244x153