tny280pn最简单电路

【应用】利用pi tny280p离线式开关ic设计18v-265v超宽电压工业控制
图片尺寸731x500
tny280pg开关控制调节
图片尺寸600x409
tny280gn 50-100hz rippel output
图片尺寸3341x1282
引脚兼容型号: tiy276,tiny176,tny286,pn8715.
图片尺寸878x399
用tny280p制作的3w控制电源电路
图片尺寸463x270
tny280pn0152
图片尺寸518x735
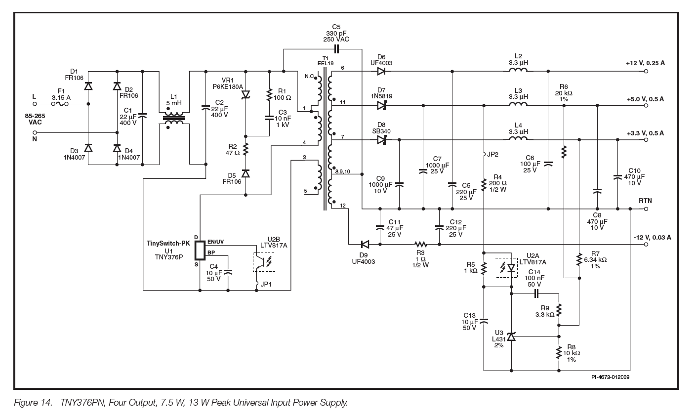
tny274pntny276pntny277pntny278pntny279pntny280pntny275集成电路
图片尺寸967x713
集成ic电路芯片tny280pn tny280 dip原装拆机质量保证
图片尺寸1080x1440
tny277设计15v1a输出的开关电源,能正常工作,在6w以上输出的时候哪里
图片尺寸1047x549
tny276pn failure?
图片尺寸1203x707
基于tny266p芯片的充电器电路
图片尺寸780x298
设计了一个开关电源 采用tny276 输入220 输出 5v 1a 12v 0.
图片尺寸4159x2521
tny268p pdf下载及第6页内容在线浏览
图片尺寸965x1402
5v1a开关电源制作
图片尺寸978x436
运放采用那种电源供电方式 dcdc 还是ldo?
图片尺寸1409x848
我设计的开关电源电路图
图片尺寸1029x630
3v,5v,15v,20v,图1为根据实物绘制的电源电路原理图.
图片尺寸1886x1584
求个延时断电电路,用三极管,电容器,电阻等简单部件组成,直流低压环境
图片尺寸296x402
最简单的低音炮电路图有没有,求解
图片尺寸450x383
谁能帮我看一下这个电路图的原理
图片尺寸763x474