tr90物性表

pvc 1070 tr物性表.png
图片尺寸1900x2566
懂车帝app _ 哔哩哔哩相簿
图片尺寸730x844
原装适配15-18
图片尺寸750x667
产品详情
图片尺寸750x478
钢材物性表
图片尺寸1622x893
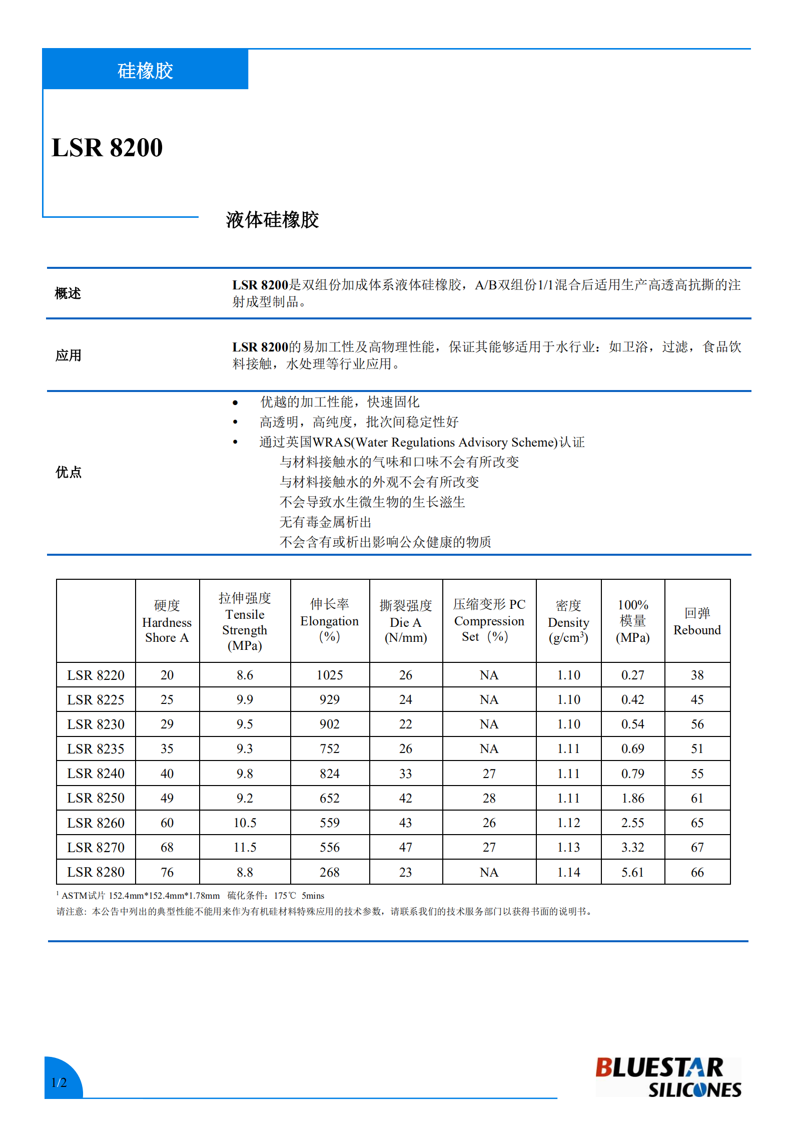
点击查看物性表液态硅胶lsr8250
图片尺寸1587x2245
材料物性表
图片尺寸861x1173
橡胶材料物性表
图片尺寸1207x824
r22物性表
图片尺寸698x1040
《日本帝人pc bn-8120r英文物性表.pdf》
图片尺寸800x1035
体脂23kgbmi1内脏脂肪指数1皱纹改善
图片尺寸1080x743
哈量 梯形螺纹量规 tr85x4 7e 7h 哈量 成量 东量
图片尺寸604x941
橡胶材料物性表
图片尺寸987x506
物性表_美国杜邦 pet dupont rynite fr530 nc010.pdf
图片尺寸800x1062
杜邦delrin 100t物性参数
图片尺寸1700x2200
这款镜架圈形尺寸是49的,金属与tr90
图片尺寸1080x1080
百家&t93
图片尺寸750x1351
极限与配合基础第3部分:标准公差基本偏差数值表
图片尺寸952x1317
pom神华宁煤mc90
图片尺寸1000x2279
iupilon (三菱) pc 通用级物性表
图片尺寸824x1153